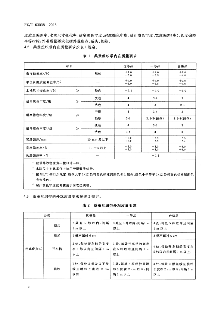
FZ/T 63038-2018 桑蚕丝织带

行业标准 推荐性 现行

标准状态

  1. 发布于:
  2. 实施于:
  3. 废止

标准详情

  • 中国标准分类号:W58
    国际标准分类号:59.080.99
  • 提出单位:
    主管部门:工业和信息化部

起草单位

浙江三鼎织造有限公司、上海市纺织工业技术监督所、上海纺织集团检测标准有限公司

起草人

唐三湘、贺美娣、丁军民等

标准预览(共 7 页)

* 特别声明:资源收集自网络或用户上传,版权归原作者所有,如侵犯您的权益,请联系我们处理。

  • 标准质量:
  • 文档详情:1.68MB 共 7 页 PDF

标准搜索