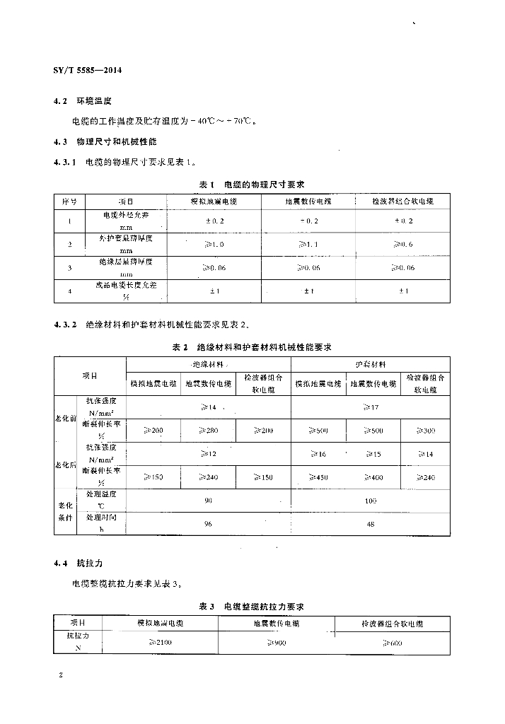
SY/T 5585-2014 地震勘探专用电缆

行业标准 推荐性 已废止

标准状态

  1. 发布于:
  2. 实施于:
  3. 已废止

标准详情

  • 中国标准分类号:E92
    国际标准分类号:75.180.10
  • 代替标准:SY/T 5192-2008;SY/T 5585-2009
  • 提出单位:
    主管部门:中国石油天然气集团公司

起草单位

中国石油天然气集团公司东方地球物理勘探有限责任公司西安物探装备分公司、河北赛赛尔俊峰物探装备有限公司

起草人

王东旭、潘中印 等

标准预览(共 14 页)

* 特别声明:资源收集自网络或用户上传,版权归原作者所有,如侵犯您的权益,请联系我们处理。

  • 标准质量:
  • 文档详情:789.21KB 共 14 页 PDF

标准搜索