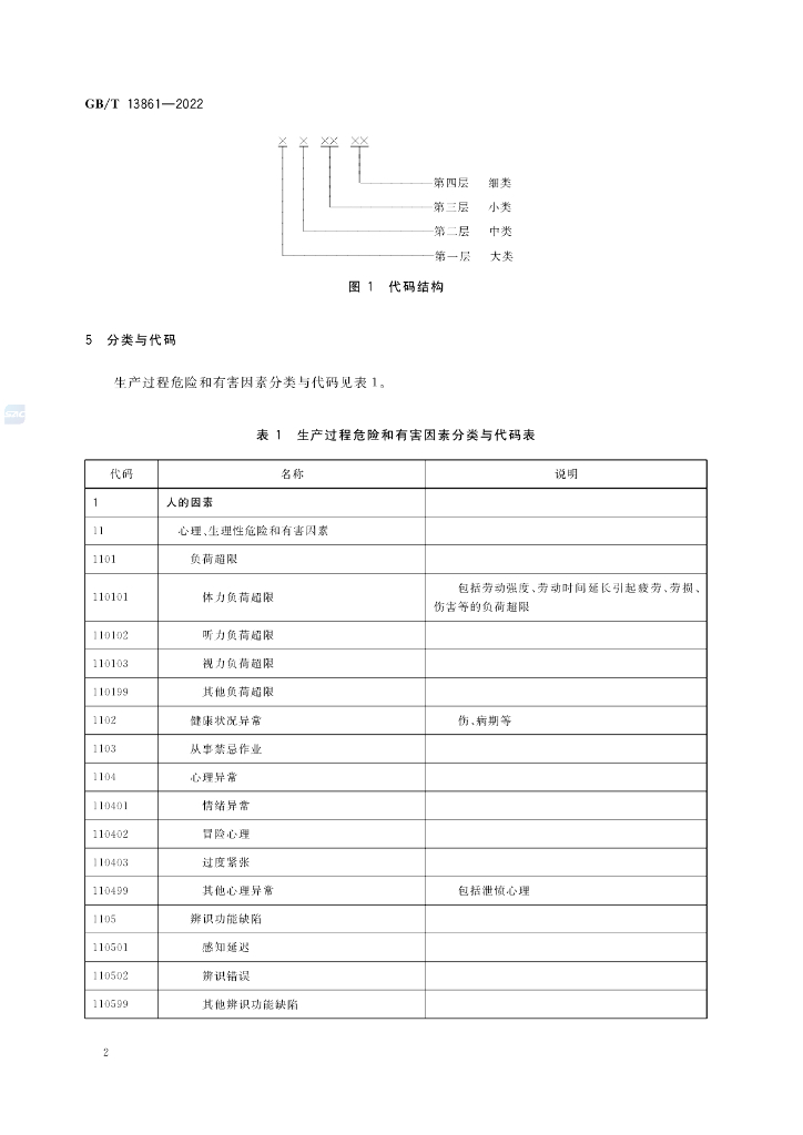
GB/T 13861-2022 生产过程危险和有害因素分类与代码

国家标准 推荐性 废止

标准状态

  1. 发布于:
  2. 实施于:
  3. 废止

标准详情

  • 中国标准分类号:A24
    国际标准分类号:35.040
  • 代替标准:GB/T 13861-2009
  • 提出单位:全国信息分类与编码标准化技术委员会
    主管部门:全国信息分类与编码标准化技术委员会

起草单位

中国标准化研究院、安徽巨成精细化工有限公司、深圳市凯东源现代物流股份有限公司、交通运输部水运科学研究所、东莞职业技术学院、佛山市质量和标准化研究院、嘉兴市特种设备检验检测院、交通运输部科学研究院、中国地质大学(北京)郑州研究院、漳州片仔癀药业股份有限公司、安徽古井贡酒股份有限公司、中国安全生产科学研究院、甘肃路桥建设集团有限公司、徐州巴特工程机械股份有限公司、中国劳动关系学院、中国建筑科学研究院有限公司、河北省特种设备监督检验研究院、泰安市应急管理局、中国地质大学(北京)、江苏康华信息科技有限公司、浙江青

起草人

张艳琦、张惠军、刘志强、苏宏杰、曹贵、颜峻、杨倚天、高昂、潘金平、高二庆、王林、徐强、吴国辉、方婷、柳学强、杨传玉、杨舟琴、李安军、程越、左哲、陈建武、褚冠全、孙旋、卢大为、安华顺、张琳、佘丁顺、曾繁仰、熊长炜、梅阳寒、李志强、卢稳、王慧、于娟、顾惠波

标准预览(共 15 页)

* 特别声明:资源收集自网络或用户上传,版权归原作者所有,如侵犯您的权益,请联系我们处理。

  • 标准质量:
  • 文档详情:989.78KB 共 15 页 PDF

标准搜索