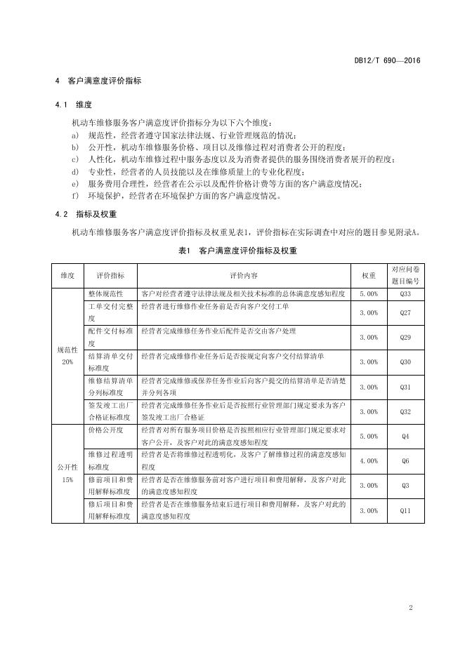
DB12/T 690-2016 机动车维修服务客户满意度评价方法

地方标准 天津市 推荐性 已废止

标准状态

  1. 发布于:
  2. 实施于:
  3. 废止于:

标准详情

  • 中国标准分类号:R10
    国际标准分类号:03.080.30
  • 提出单位:天津市交通运输委员会
    主管部门:天津市质量技术监督局

起草单位

天津市机动车维修管理处、天津市优耐特汽车电控技术服务有限公司

起草人

孙玉栋、贾彦勇、王耀宇、孙婧、王征、李冬强、南文俊、王志平、李建魁、姚学君、许志伟、王玉祥

标准预览(共 17 页)

* 特别声明:资源收集自网络或用户上传,版权归原作者所有,如侵犯您的权益,请联系我们处理。

  • 标准质量:
  • 文档详情:406.12KB 共 17 页 PDF

标准搜索