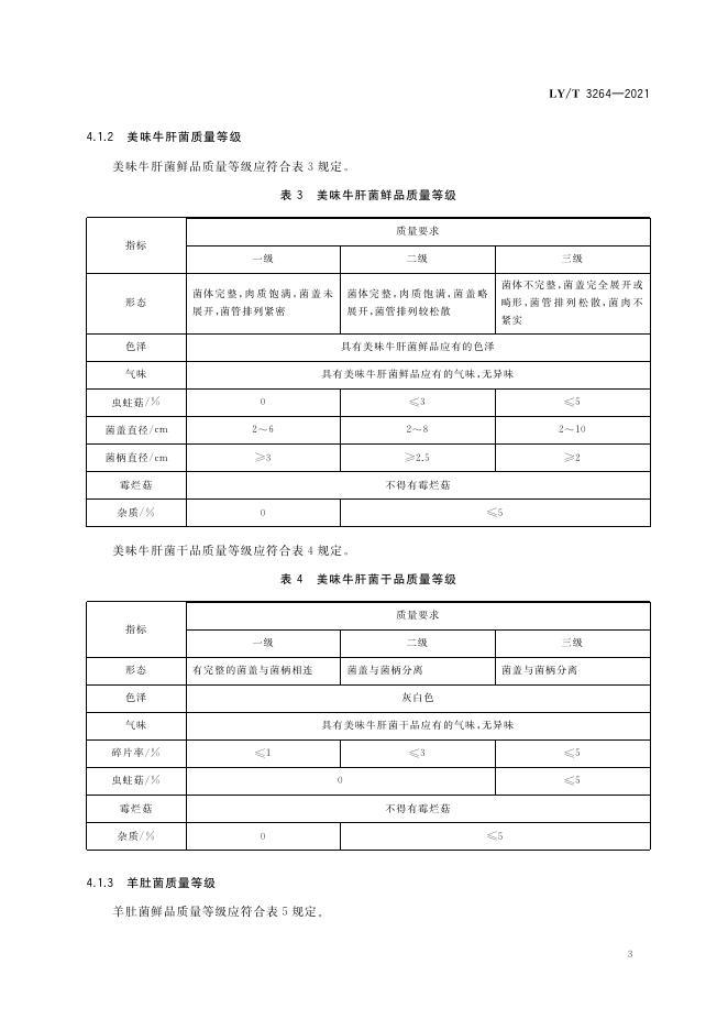
LY/T 3264-2021 主要林副产品质量等级 菌类

行业标准 推荐性 现行

标准状态

  1. 发布于:
  2. 实施于:
  3. 废止

标准详情

  • 中国标准分类号:B39
    国际标准分类号:65.020.01
  • 提出单位:
    主管部门:国家林业和草原局

起草单位

黑龙江省林副特产研究所、黑龙江省农业科学院牡丹江分院、海林悦来颐和食用菌种植合作社

起草人

胡伟、么宏伟、张跃新、吴洪军、王延锋、赵凤臣、马凤、谢晨阳、谭放、韩书昌、付婷婷、芦伟明

标准预览(共 12 页)

* 特别声明:资源收集自网络或用户上传,版权归原作者所有,如侵犯您的权益,请联系我们处理。

  • 标准质量:
  • 文档详情:652.76KB 共 12 页 PDF

标准搜索