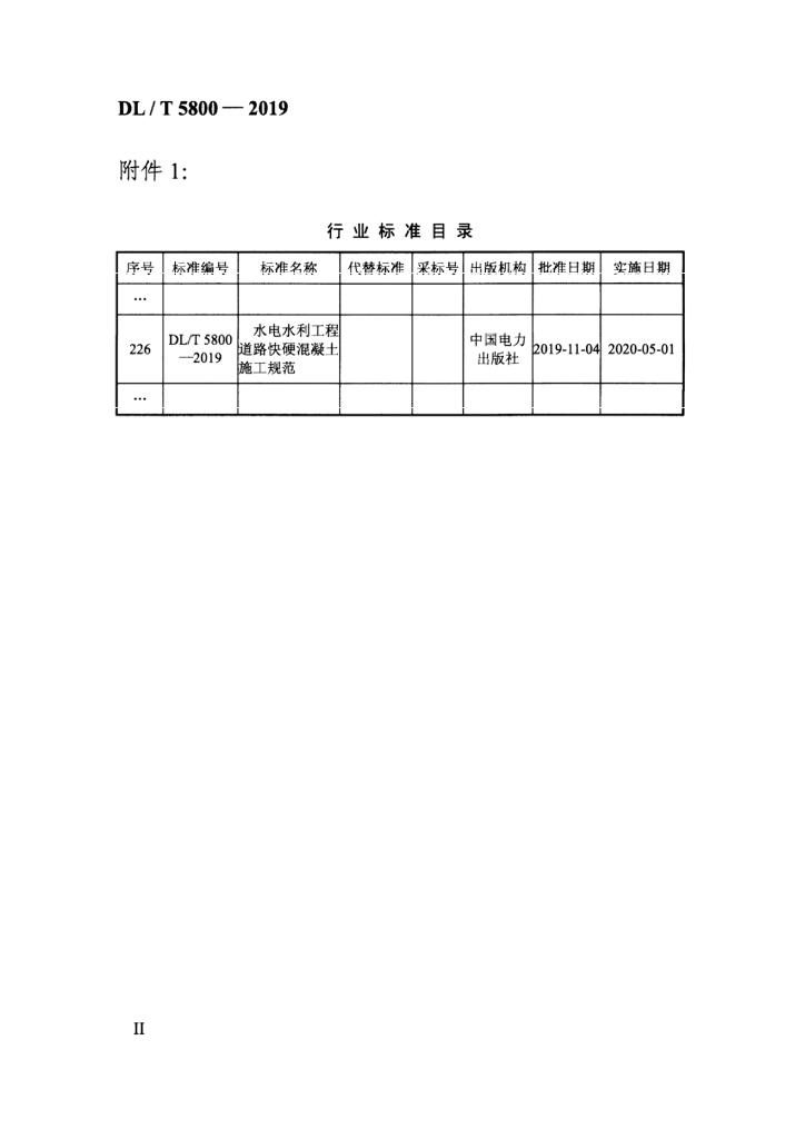
DL/T 5800-2019 水电水利工程道路快硬混凝土施工规范(附条文说明)

行业标准 推荐性 现行

标准状态

  1. 发布于:
  2. 实施于:
  3. 废止

标准详情

  • 中国标准分类号:P55
    国际标准分类号:27.140
  • 提出单位:
    主管部门:国家能源局

起草单位

中国葛洲坝集团股份有限公司、中国葛洲坝集团第三工程有限公司、葛洲坝集团试验检测有限公司

起草人

冯兴龙、陈松、陈卫烈、谢严君、黄河江、程志华、李焰、龚智敏、张振宇、朱圣敏、谭恺炎、杨有权、杜念文、李林辉、王江龙

标准预览(共 34 页)

* 特别声明:资源收集自网络或用户上传,版权归原作者所有,如侵犯您的权益,请联系我们处理。

  • 标准质量:
  • 文档详情:31.24MB 共 34 页 PDF

标准搜索