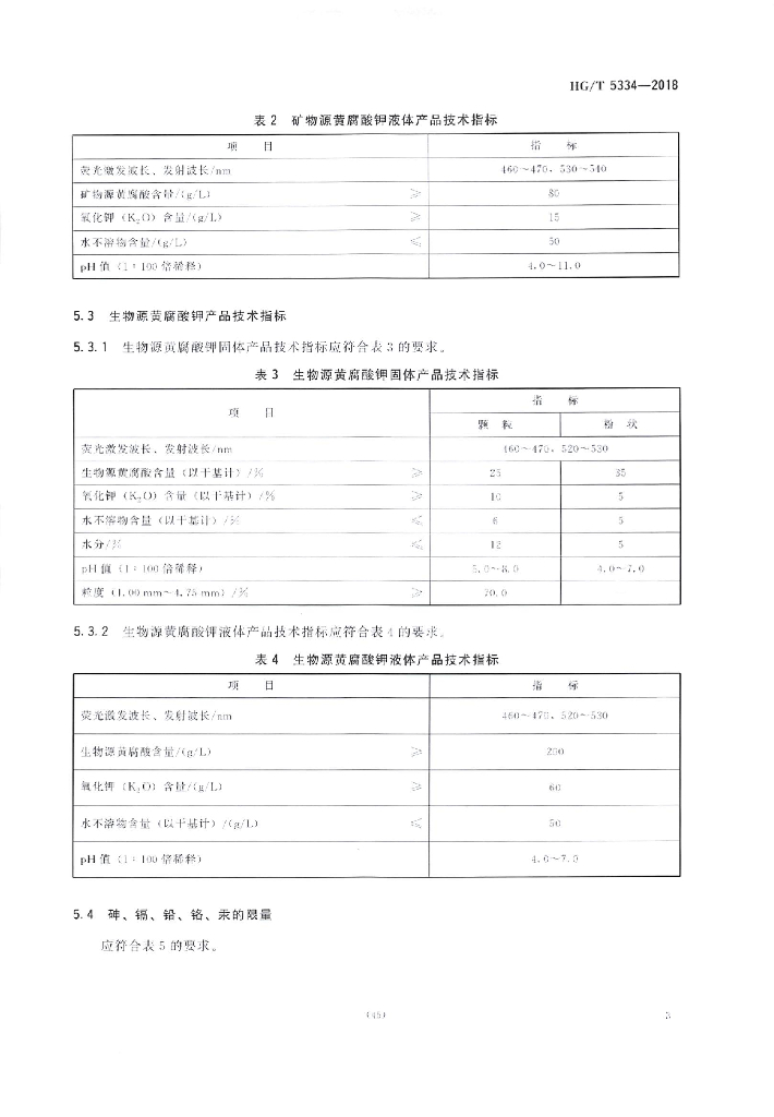
HG/T 5334-2018 黄腐酸钾

行业标准 推荐性 现行

标准状态

  1. 发布于:
  2. 实施于:
  3. 废止

标准详情

  • 中国标准分类号:G21
    国际标准分类号:65.08
  • 提出单位:
    主管部门:工业和信息化部

起草单位

山东泉林纸业有限责任公司、山东创新腐植酸科技股份有限公司、金正大生态工程集团股份有限公司等

起草人

李洪法、尹丽华、杜茂福 等

标准预览(共 11 页)

* 特别声明:资源收集自网络或用户上传,版权归原作者所有,如侵犯您的权益,请联系我们处理。

  • 标准质量:
  • 文档详情:2.23MB 共 11 页 PDF

标准搜索