HB/Z 410-2013 树脂基复合材料制件修补工艺

行业标准 指导性技术文件 现行

标准状态

  1. 发布于:
  2. 实施于:
  3. 废止

标准详情

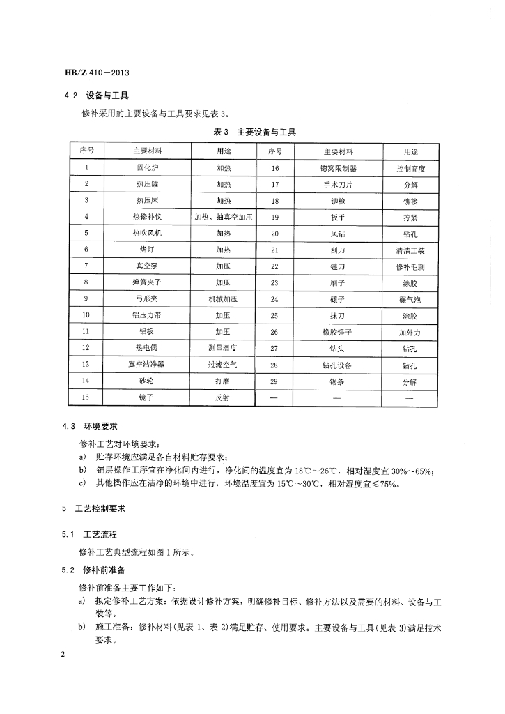
  • 中国标准分类号:V18
    国际标准分类号:49.040
  • 提出单位:中国航空综合技术研究所
    主管部门:工业和信息化部

起草单位

中国航空综合技术研究所、哈尔滨飞机工业(集团)有限贲任公司、江洪都航空工业(集团)有限贵任公司、北京航空制造工程研究所

起草人

孙伟、万建平、梁勇、戴希林、皮付见、邱启艳

标准预览(共 12 页)

* 特别声明:资源收集自网络或用户上传,版权归原作者所有,如侵犯您的权益,请联系我们处理。

  • 标准质量:
  • 文档详情:1.76MB 共 12 页 PDF

标准搜索