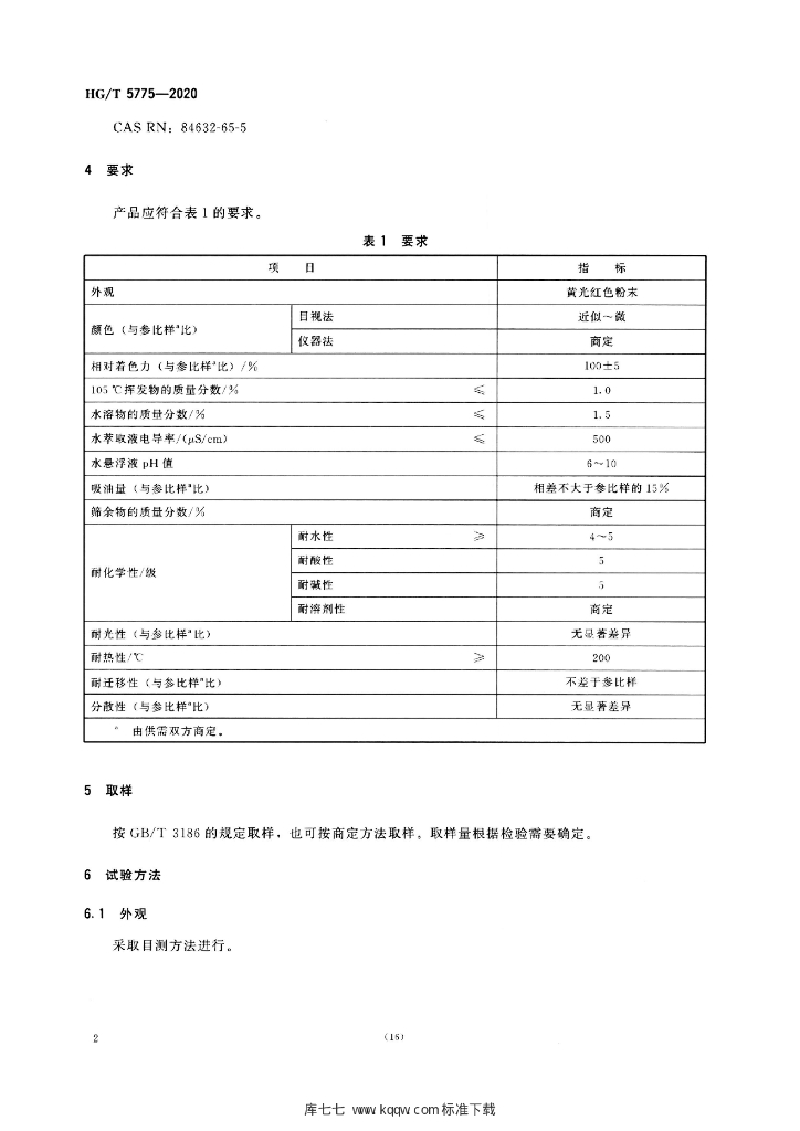
HG/T 5775-2020 C. I.颜料红254

行业标准 推荐性 现行

标准状态

  1. 发布于:
  2. 实施于:
  3. 废止

标准详情

  • 中国标准分类号:G54
    国际标准分类号:87.060.10
  • 提出单位:
    主管部门:工业和信息化部

起草单位

百合花集团股份有限公司、龙口联合化学有限公司、山东世纪阳光科技有限公司等

起草人

熊永科、王赫、高冬云 等

标准预览(共 8 页)

* 特别声明:资源收集自网络或用户上传,版权归原作者所有,如侵犯您的权益,请联系我们处理。

  • 标准质量:
  • 文档详情:6.23MB 共 8 页 PDF

标准搜索