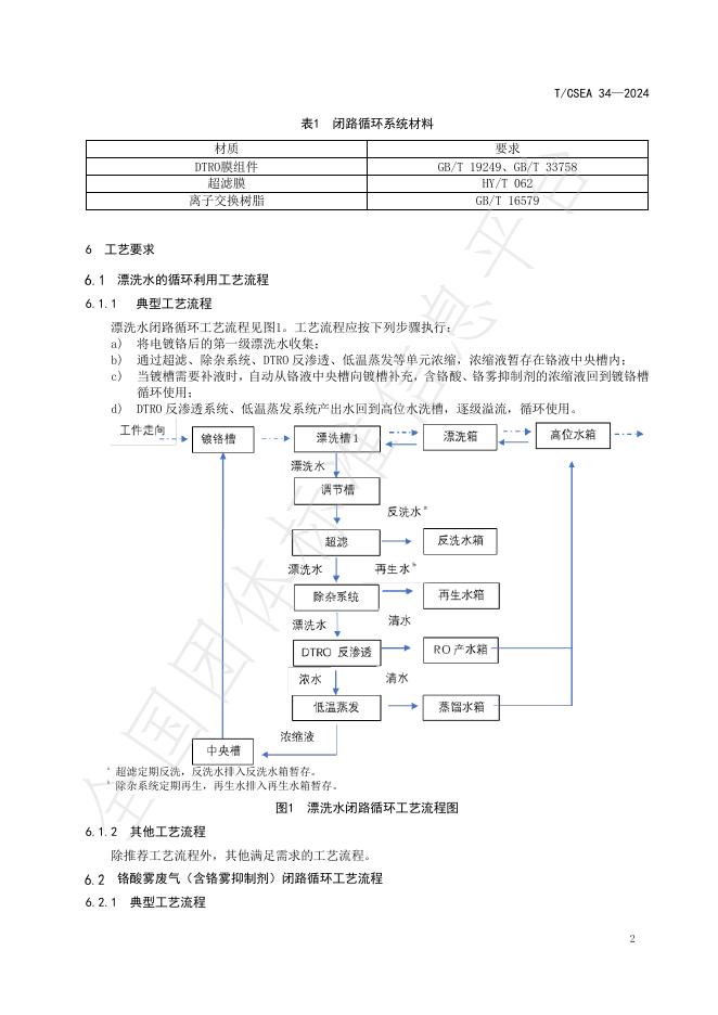
T/CSEA 34-2024 六价铬电镀生产线闭路循环技术规范
* 特别声明:资源收集自网络或用户上传,版权归原作者所有,如侵犯您的权益,请联系我们处理。
- 标准质量:
- 文档详情:715.03KB 共 8 页 PDF
标准搜索
搜索帮助相关推荐
- 1T/CECS 10287-2023 钢筋连接用直螺纹套筒
- 2T/CECS 10314-2023 混凝土气密剂
- 3T/ISC 0030-2023 高价值专利评价方法
- 4T/ZGXK 006-2023 数字乡村发展评价指南
- 5T/ISC 0015-2022 金融场景隐私保护计算平台 技术要求与测试方法
- 6T/ISC 0016-2023 基于区块链的机构电子签约系统要求
- 7T/ISC 0028-2023 人工智能模型风险管理能力成熟度模型
- 8T/ISC 0019-2022 移动互联网应用程序(App)数据安全测评服务机构能力评定准则
- 9T/ISC 0024-2023 信息通信及互联网行业企业合规师职业 技术技能要求
- 10T/ZGXK 007-2023 数字乡村服务企业星级评价规范
- 11T/ISC 0026-2023 数字乡村服务企业星级评价规范
- 12T/ISC 0027-2023 互联网企业未成年人网络保护管理体系
- 13T/ISC 0014-2021 互联网企业投诉处理优质服务规范
- 14T/ISC 0021-2022 电子竞技赛事导播能力要求
- 15T/ISC 0020-2022 词典笔功能要求及测试方法




