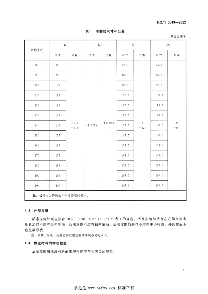
HG/T 6049-2022 钻井泵用橡胶密封活塞

行业标准 推荐性 现行

标准状态

  1. 发布于:
  2. 实施于:
  3. 废止

标准详情

  • 中国标准分类号:G43
    国际标准分类号:83.140.50
  • 提出单位:中国石油和化学工业联合会
    主管部门:工业和信息化部

起草单位

胜利油田长龙橡塑有限责任公司、广州机械科学研究院有限公司、宣城安安橡塑有限责任公司、西北橡胶塑料研究设计院有限公司、咸阳海龙密封复合材料有限公司

起草人

张义贵、窦钦谭、肖风亮、李小安、王岚、祝海峰

标准预览(共 11 页)

* 特别声明:资源收集自网络或用户上传,版权归原作者所有,如侵犯您的权益,请联系我们处理。

  • 标准质量:
  • 文档详情:2.33MB 共 11 页 PDF

标准搜索