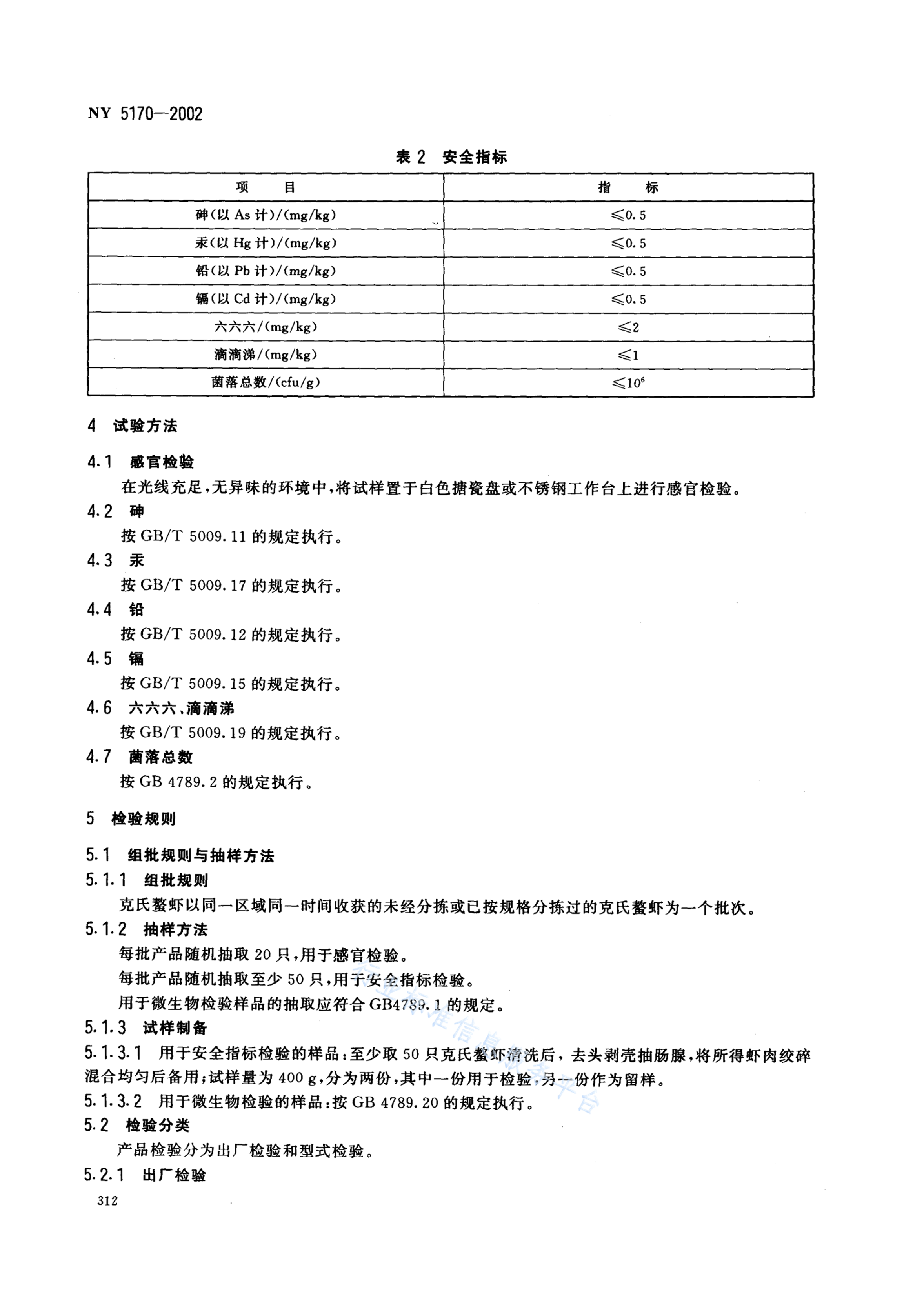
NY 5170-2002 无公害食品 克氏螯虾

行业标准 强制性 已废止

标准状态

  1. 发布于:
  2. 实施于:
  3. 已废止

标准详情

  • 中国标准分类号:B52
    国际标准分类号:67.120.30
  • 提出单位:
    主管部门:农业部

起草单位

农业部渔业环境及水产品质量监督检验中心(武汉)、湖南省益阳水产技术推广站

起草人

张汉华、朱江

标准预览(共 5 页)

* 特别声明:资源收集自网络或用户上传,版权归原作者所有,如侵犯您的权益,请联系我们处理。

  • 标准质量:
  • 文档详情:3.27MB 共 5 页 PDF

标准搜索