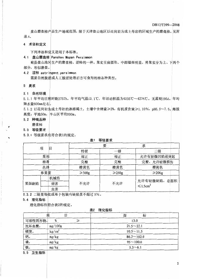
DB12/T 399-2008 盘山磨盘柿

地方标准 天津市 推荐性 现行

标准状态

  1. 发布于:
  2. 实施于:
  3. 废止

标准详情

  • 中国标准分类号:B22
    国际标准分类号:67.080.10
  • 提出单位:
    主管部门:天津市质量技术监督局

起草单位

蓟县林业局林业科技推广中心、蓟县质量技术监督局、天津力臣阳光果蔬商贸有限责任公司

起草人

胡春明、陈志高、王会文、张景新、吕宝山、刘海峰、赵春增、王海鹏、王涛

标准预览(共 8 页)

* 特别声明:资源收集自网络或用户上传,版权归原作者所有,如侵犯您的权益,请联系我们处理。

  • 标准质量:
  • 文档详情:382.23KB 共 8 页 PDF

标准搜索