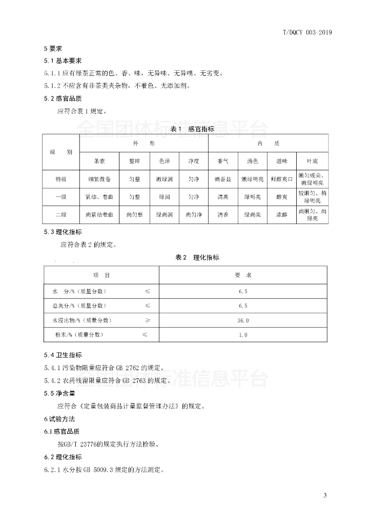
T/DQCY 003-2019 莫干黄芽绿茶

团体标准 强制性 现行

标准状态

  1. 发布于:
  2. 实施于:
  3. 废止

标准详情

  • 中国标准分类号:X55
    国际标准分类号:67.140.10
  • 团体名称:德清县茶叶协会

起草单位

德清县茶叶协会、德清县农业技术推广中心

起草人

张晓英、钱虹、戚国荣、方连根、金杏丽、姚佳萍、黄德龙、姚伟金、高国治、陈钦全、李永强、王银平、康如忠、张云卢、吕才宝、沈云鹤、陈彩佳、何永康、方福海、赵雪峰

标准预览(共 7 页)

* 特别声明:资源收集自网络或用户上传,版权归原作者所有,如侵犯您的权益,请联系我们处理。

  • 标准质量:
  • 文档详情:782.31KB 共 7 页 PDF

标准搜索