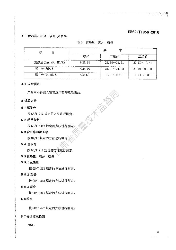
DB62/T 1956-2010 兰州市煤炭产品 弱粘煤

地方标准 甘肃省 推荐性 已废止

标准状态

  1. 发布于:
  2. 实施于:
  3. 废止于:

标准详情

  • 中国标准分类号:D20
    国际标准分类号:73.040
  • 提出单位:兰州市质量技术监督局、兰州市质量技术监督局红古分局、窑街煤电集团有限公司
    主管部门:甘肃省质量技术监督局

起草单位

窑街煤电集团有限公司、兰州市质量技术监督局红古分局

起草人

张相成、程建强、王占强、毛向明、让自飞、刘亚君、王岩、陈秋燕、何景

标准预览(共 6 页)

* 特别声明:资源收集自网络或用户上传,版权归原作者所有,如侵犯您的权益,请联系我们处理。

  • 标准质量:
  • 文档详情:438.59KB 共 6 页 PDF

标准搜索