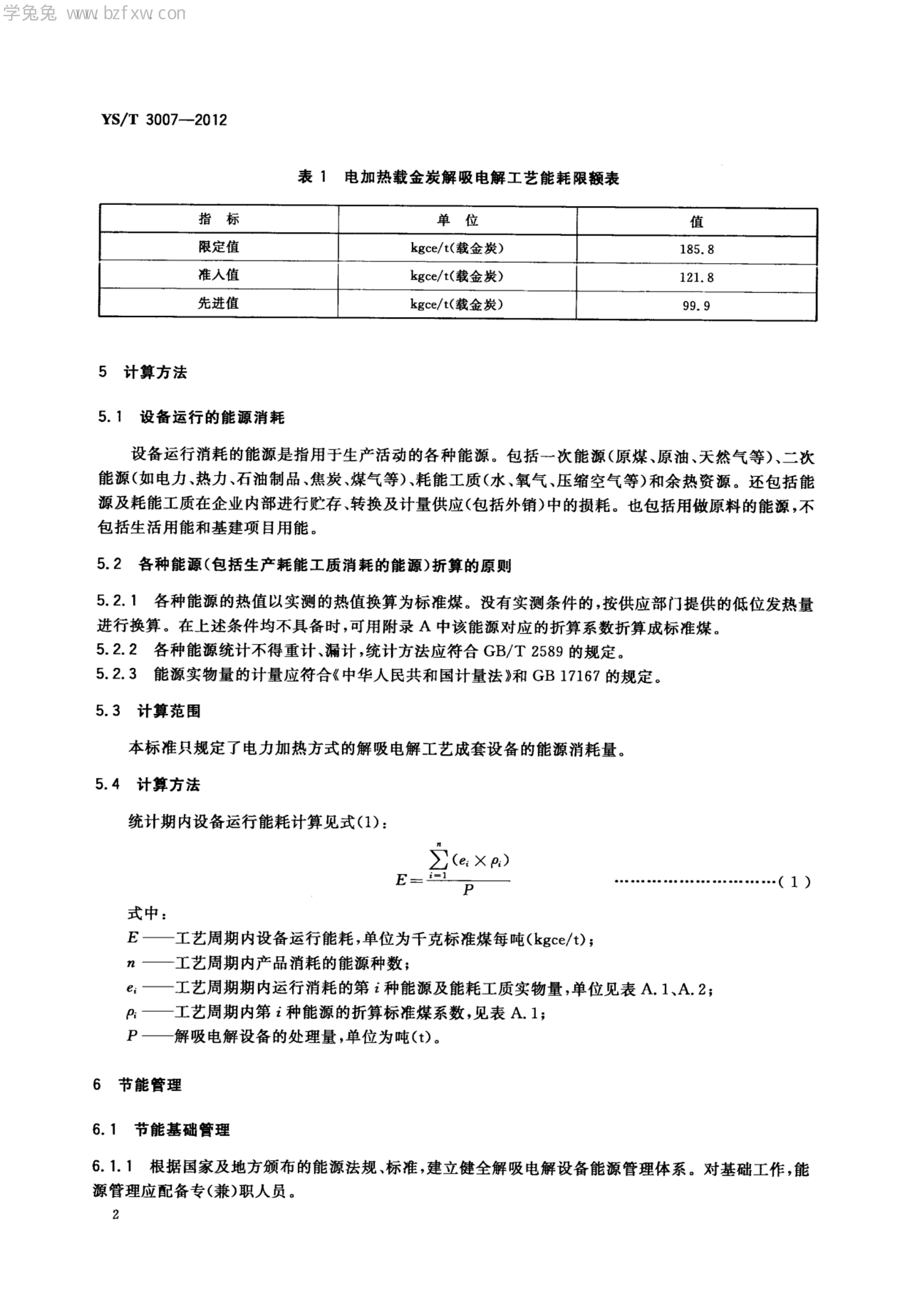
YS/T 3007-2012 电加热载金活性炭解吸电解工艺 能源消耗限额

行业标准 推荐性 现行

标准状态

  1. 发布于:
  2. 实施于:
  3. 废止

标准详情

  • 中国标准分类号:D46
    国际标准分类号:27.010
  • 提出单位:
    主管部门:全国黄金标准化技术委员会

起草单位

长春黄金研究院、紫金矿业集团股份有限公司。

起草人

吴铃、李哲浩 、邹来昌、龙振坤、廖占丕、李延吉、刘亚建、张微、乔瞻、高飞翔、谢天泉。

标准预览(共 8 页)

* 特别声明:资源收集自网络或用户上传,版权归原作者所有,如侵犯您的权益,请联系我们处理。

  • 标准质量:
  • 文档详情:4.33MB 共 8 页 PDF

标准搜索