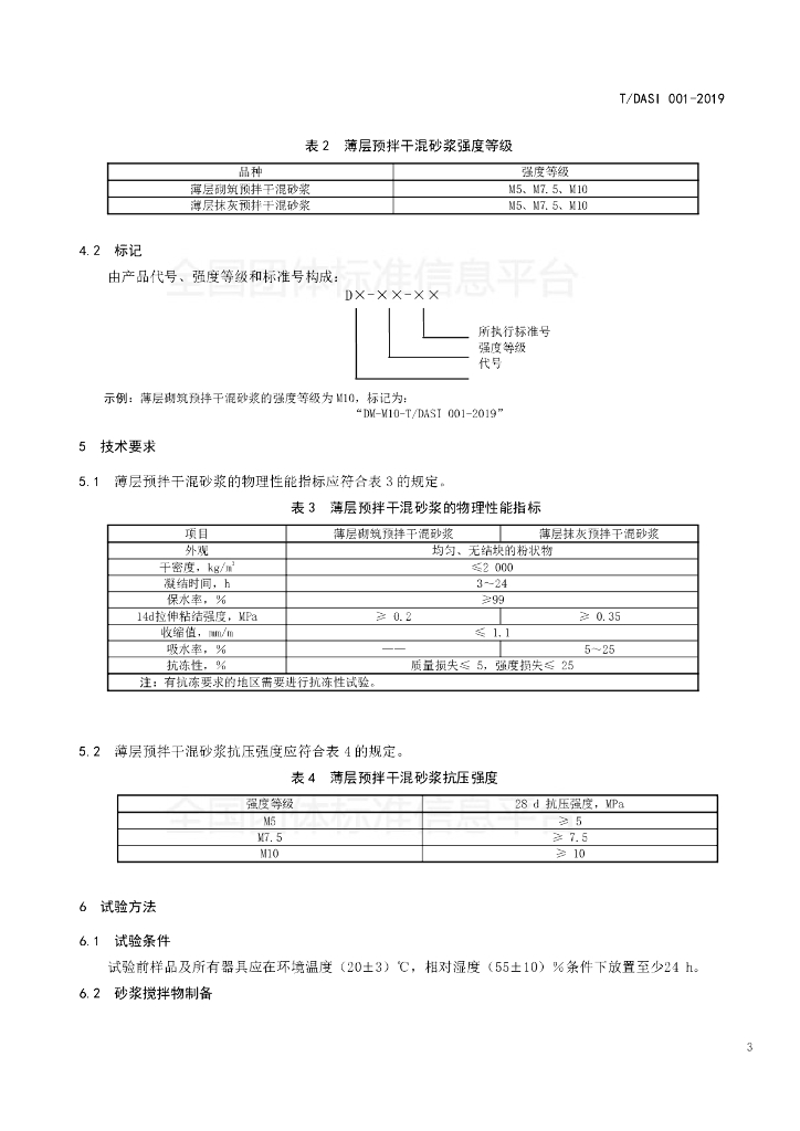
T/DASI 001-2019 薄层预拌干混砂浆

团体标准 强制性 现行

标准状态

  1. 发布于:
  2. 实施于:
  3. 废止

标准详情

  • 中国标准分类号:Q13
    国际标准分类号:91.100.10
  • 团体名称:东莞市标准与产业融合促进会

起草单位

广东青筑科技有限公司、广东省东莞市质量技术监督标准与编码所、东莞市永多泰防水涂装科技有限公司、浙江共创建材科技有限公司、中山市乐建建材有限公司、广东金能建筑节能材料科技有限公司、佛山市双龙顺建材科技有限公司、佛山市玛娜陶瓷有限公司、中山市宝匣设计装饰有限公司、佛山市维达尼陶瓷有限公司、东莞市宝润建材有限公司、中山市绿保建材有限公司、深圳市千红防水保温材料有限公司、广州市凯聚化工有限公司、东莞市恒和节能科技有限公司、佛山市劲辉鑫业建筑有限公司、东莞市广强节能工程材料有限公司、东莞市盈博建材有限公司、佛山市尚

起草人

曹志勇、刘梓良、李俊强、吴明、陈集阳、李光球、高治红、蹇永栋、方震东、陈诚、梁翠梅、王义海、李建军、柴久松、张天久、李青、王永发、许锦雄、叶劲旋、陈勇、蔡乾文、丁锦尧、邓元福、王为民、方亮、石尚文、周明、郭宪升、叶满华

标准预览(共 7 页)

* 特别声明:资源收集自网络或用户上传,版权归原作者所有,如侵犯您的权益,请联系我们处理。

  • 标准质量:
  • 文档详情:415.03KB 共 7 页 PDF

标准搜索