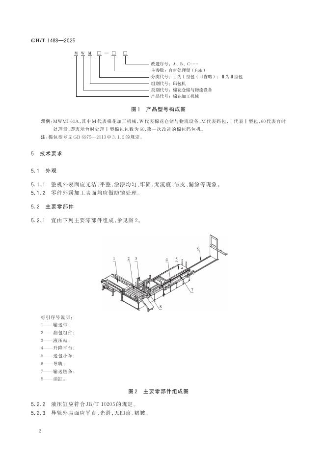
GH/T 1488-2025 棉包码包机

行业标准 推荐性 现行

标准状态

  1. 发布于:
  2. 实施于:
  3. 废止

标准详情

  • 中国标准分类号:CCS B93
    国际标准分类号:ICS 65. 040. 020
  • 提出单位:
    主管部门:中华全国供销合作总社科教社团部

起草单位

山东天鹅棉业机械股份有限公司、新疆天鹅现代农业机械装备有限公司,中华全国供销合作总社郑州棉麻工程技术设计研究所、内蒙古野田铁牛农业装备有限公司,南通御丰塑钢包装有限公司、新疆利华(集团)股份有限公司、中华棉花集团有限公司、山东省纤维质量监测中心、胡杨河天鹅智慧农业科技有限公司、新疆生产建设兵团第一师棉麻有限责任公司、济南大学、兵团现代农机装备制造业创新中心

起草人

李怀坤、于海鑫、赵鹏达、高海强、陈兴桥、王新亭、翟艳婷、客林廷、李永强、李占涛、王瑞霞、李孝华、谭志芳、李德华、孟辉、孙召明、刘娟、宫玉龙、王守仁、董全成、杨建宁、董继斌、董宝奎、李玉强、毛新艳、王晓波、张春、刘帆、魏兵、刘宪坤、王尧斌。

标准预览(共 11 页)

* 特别声明:资源收集自网络或用户上传,版权归原作者所有,如侵犯您的权益,请联系我们处理。

  • 标准质量:
  • 文档详情:784.26KB 共 11 页 PDF

标准搜索