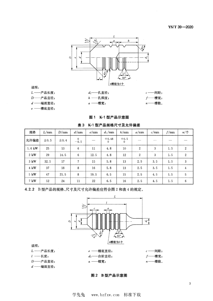
YS/T 39-2020 氙灯钨阳极

行业标准 推荐性 现行

标准状态

  1. 发布于:
  2. 实施于:
  3. 废止

标准详情

  • 中国标准分类号:H63
    国际标准分类号:77.150.99
  • 代替标准:YS/T 39-2007
  • 提出单位:全国有色金属标准化技术委员会
    主管部门:全国有色金属标准化技术委员会

起草单位

厦门虹鹭钨钼工业有限公司、株洲硬质合金集团有限公司、西安科睿博新材料科技有限公司、常州玉宇电光器件有限公司、安泰天龙钨钼科技有限公司、赣州虹飞钨钼材料有限公司

起草人

林强、杜勇、侯海涛、赖飞龙、张衍诚、戴勇林、谭华、黄志民、殷尧平、吴朝圣、钟铭

标准预览(共 10 页)

* 特别声明:资源收集自网络或用户上传,版权归原作者所有,如侵犯您的权益,请联系我们处理。

  • 标准质量:
  • 文档详情:2.71MB 共 10 页 PDF

标准搜索