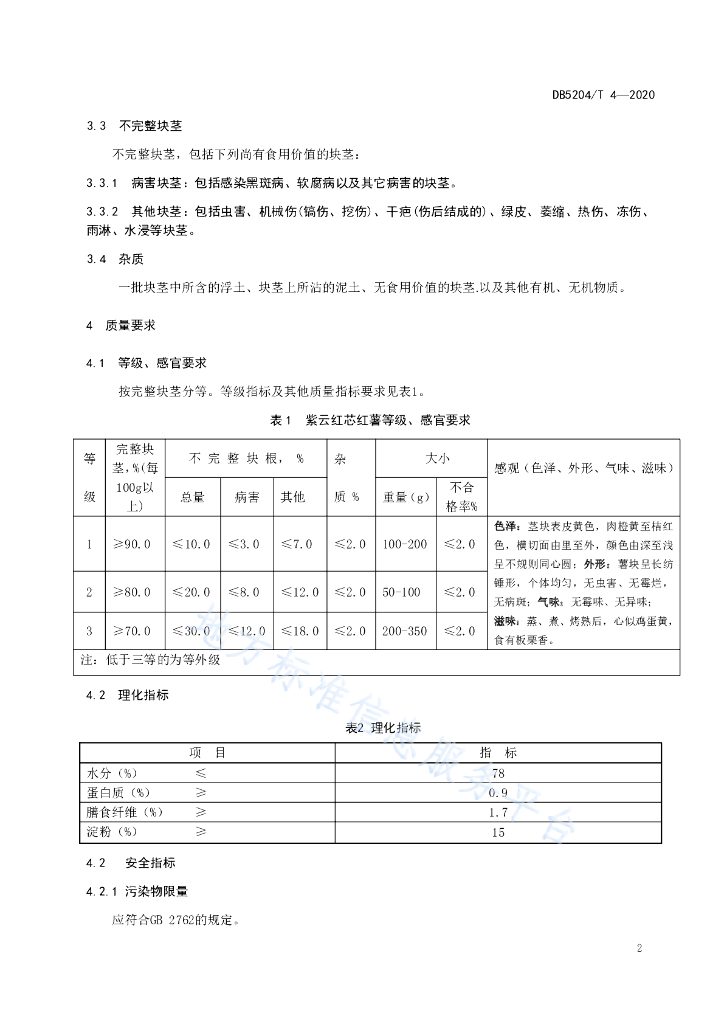
DB5204/T 4-2020 紫云红芯红薯

地方标准 安顺市 推荐性 现行

标准状态

  1. 发布于:
  2. 实施于:
  3. 废止

标准详情

  • 中国标准分类号:B23
    国际标准分类号:67.06
  • 提出单位:紫云自治县农业农村局农业技术推广站
    主管部门:安顺市市场监督管理局

起草单位

紫云自治县农业农村局农业技术推广站等

起草人

张盛翔、王奥、李世显、孙福琴、曾庆平、王江波、李洁、王兰兰、任道援、骆乾波、龙治凤、陶四红、邓丽、周永丽、李天兰、胡光友、吴朝鹏

标准预览(共 7 页)

* 特别声明:资源收集自网络或用户上传,版权归原作者所有,如侵犯您的权益,请联系我们处理。

  • 标准质量:
  • 文档详情:426.88KB 共 7 页 PDF

标准搜索