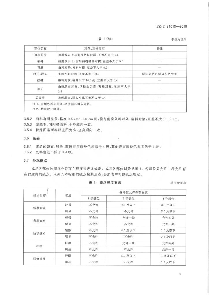
FZ/T 81010-2018 风衣

行业标准 推荐性 现行

标准状态

  1. 发布于:
  2. 实施于:
  3. 废止

标准详情

  • 中国标准分类号:Y76
    国际标准分类号:61.02
  • 代替标准:FZ/T 81010-2009
  • 提出单位:
    主管部门:工业和信息化部

起草单位

上海纺织集团检测标准有限公司、北京市毛麻丝织品质量监督检验站、利郎(中国)有限公司等

起草人

闫玉疆、杨秀月、田玲玲等

标准预览(共 15 页)

* 特别声明:资源收集自网络或用户上传,版权归原作者所有,如侵犯您的权益,请联系我们处理。

  • 标准质量:
  • 文档详情:3.4MB 共 15 页 PDF

标准搜索