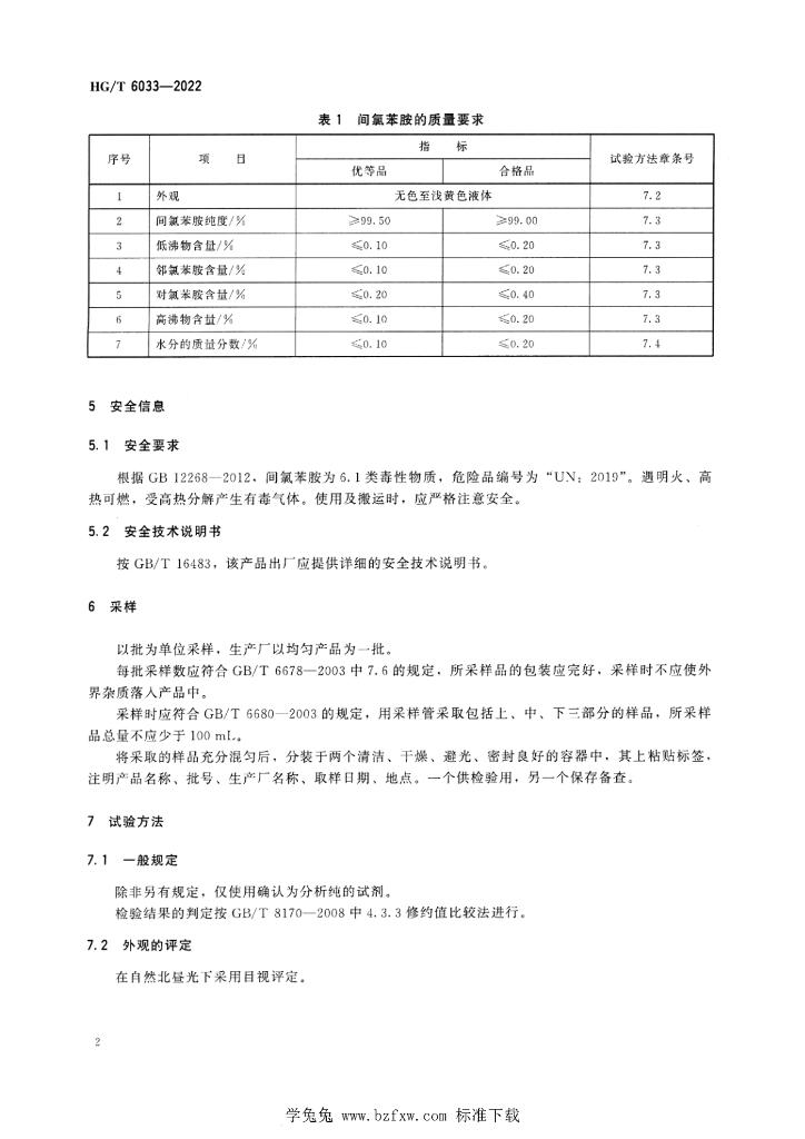
HG/T 6033-2022 间氯苯胺

行业标准 推荐性 现行

标准状态

  1. 发布于:
  2. 实施于:
  3. 废止

标准详情

  • 中国标准分类号:G56
    国际标准分类号:71.100.01;87.060.10
  • 提出单位:中国石油和化学工业联合会
    主管部门:工业和信息化部

起草单位

安徽海华科技集团有限公司、浙江吉泰新材料股份有限公司、沈阳化工研究院有限公司、厦门银都利工业有限公司、沈阳沈化院测试技术有限公司、国家染料质量监督检验中心

起草人

解凤贤、王明、尹新、向梅、薛岩、解凤苗、胡彦冰、杨江宇、张其忠、吴文良、郝宗贤、蒲爱军

标准预览(共 8 页)

* 特别声明:资源收集自网络或用户上传,版权归原作者所有,如侵犯您的权益,请联系我们处理。

  • 标准质量:
  • 文档详情:1.66MB 共 8 页 PDF

标准搜索