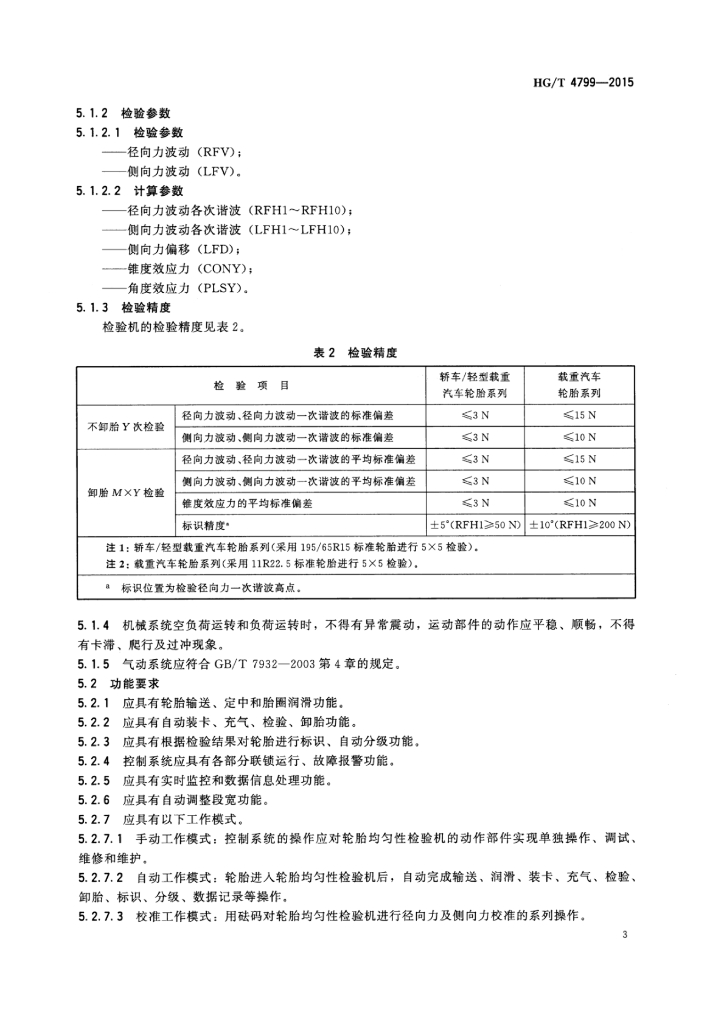
HG/T 4799-2015 轮胎均匀性检验机

行业标准 推荐性 现行

标准状态

  1. 发布于:
  2. 实施于:
  3. 废止

标准详情

  • 中国标准分类号:G95
    国际标准分类号:71.120;83.200
  • 提出单位:
    主管部门:化工

起草单位

软控股份有限公司、广州阿克隆百川检测设备有限公司、天津赛象科技股份有限公司等

起草人

咸龙新、杭柏林、李海辉 等

标准预览(共 13 页)

* 特别声明:资源收集自网络或用户上传,版权归原作者所有,如侵犯您的权益,请联系我们处理。

  • 标准质量:
  • 文档详情:9.61MB 共 13 页 PDF

标准搜索