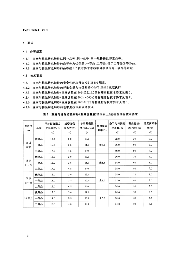
FZ/T 32024-2019 亚麻与棉混纺色纺纱

行业标准 推荐性 现行

标准状态

  1. 发布于:
  2. 实施于:
  3. 废止

标准详情

  • 中国标准分类号:W32
    国际标准分类号:59.080.20
  • 提出单位:
    主管部门:工业和信息化部

起草单位

浙江吉麻良丝新材料股份有限公司、深圳市贝利爽实业有限公司、巢湖雅戈尔色纺科技有限公司等

起草人

方斌、季萍、马浩然 等

标准预览(共 9 页)

* 特别声明:资源收集自网络或用户上传,版权归原作者所有,如侵犯您的权益,请联系我们处理。

  • 标准质量:
  • 文档详情:552.61KB 共 9 页 PDF

标准搜索