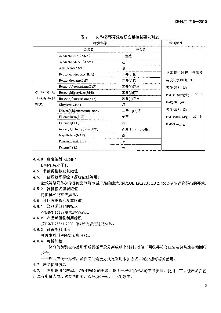
DB44/T 715-2010 家用电器产品绿色评估 房间空气调节器

地方标准 广东省 推荐性 已废止

标准状态

  1. 发布于:
  2. 实施于:
  3. 废止于:

标准详情

  • 中国标准分类号:Q76
    国际标准分类号:91.140.30
  • 提出单位:
    主管部门:广东省质量技术监督局

起草单位

广州电器科学研究院、美的集团有限公司、广东志高空调有限公司、格力电器股份有限公司、海信科龙电器股份有限公司、格兰仕(中山)家用电器有限公司

起草人

王玲、符永高、赵新、何丽娇、刘宇春、陈佳庚、李志良、王娟、张龙、岳琳琳、杨文宇、何志强、潘伟昌、张杏财

标准预览(共 14 页)

* 特别声明:资源收集自网络或用户上传,版权归原作者所有,如侵犯您的权益,请联系我们处理。

  • 标准质量:
  • 文档详情:1.29MB 共 14 页 PDF

标准搜索