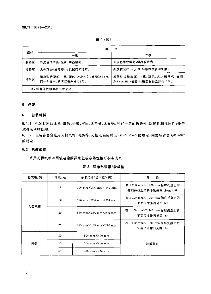
SB/T 10578-2010 洋葱流通规范

行业标准 推荐性 现行

标准状态

  1. 发布于:
  2. 实施于:
  3. 废止

标准详情

  • 中国标准分类号:B31
    国际标准分类号:67.080.01
  • 提出单位:
    主管部门:商务部

起草单位

北京锦绣大地农业股份有限公司(检测中心)、商务部流通产业促进中心等

起草人

赵海香、朱玉梅 等

标准预览(共 8 页)

* 特别声明:资源收集自网络或用户上传,版权归原作者所有,如侵犯您的权益,请联系我们处理。

  • 标准质量:
  • 文档详情:1.8MB 共 8 页 PDF

标准搜索