LY/T 3296-2022 木结构钉连接防腐性能测试方法

行业标准 推荐性 现行

标准状态

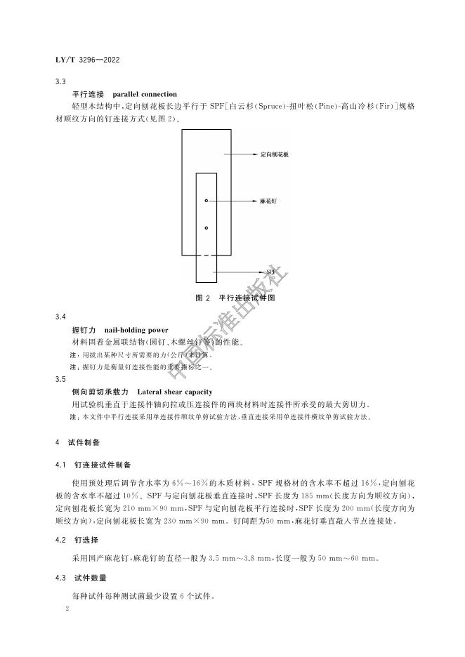
  1. 发布于:
  2. 实施于:
  3. 废止

标准详情

  • 中国标准分类号:B69
    国际标准分类号:79.020
  • 提出单位:全国木材标准化技术委员会
    主管部门:全国木材标准化技术委员会

起草单位

中国林业科学研究院木材工业研究所、北京林业大学、江苏兄弟智能家居有限公司、西安建筑科技大学、厦门市格灵生物技术有限公司、宿州学院、中天建设集团有限公司(中天建筑设计院)、西安交通大学

起草人

马星霞、高颖、张训亚、张颖、杨树明、谢启芳、陈智勇、李红颖、杨淑燕、张斌、方旋、梅诗意

标准预览(共 6 页)

* 特别声明:资源收集自网络或用户上传,版权归原作者所有,如侵犯您的权益,请联系我们处理。

  • 标准质量:
  • 文档详情:960.73KB 共 6 页 PDF

标准搜索