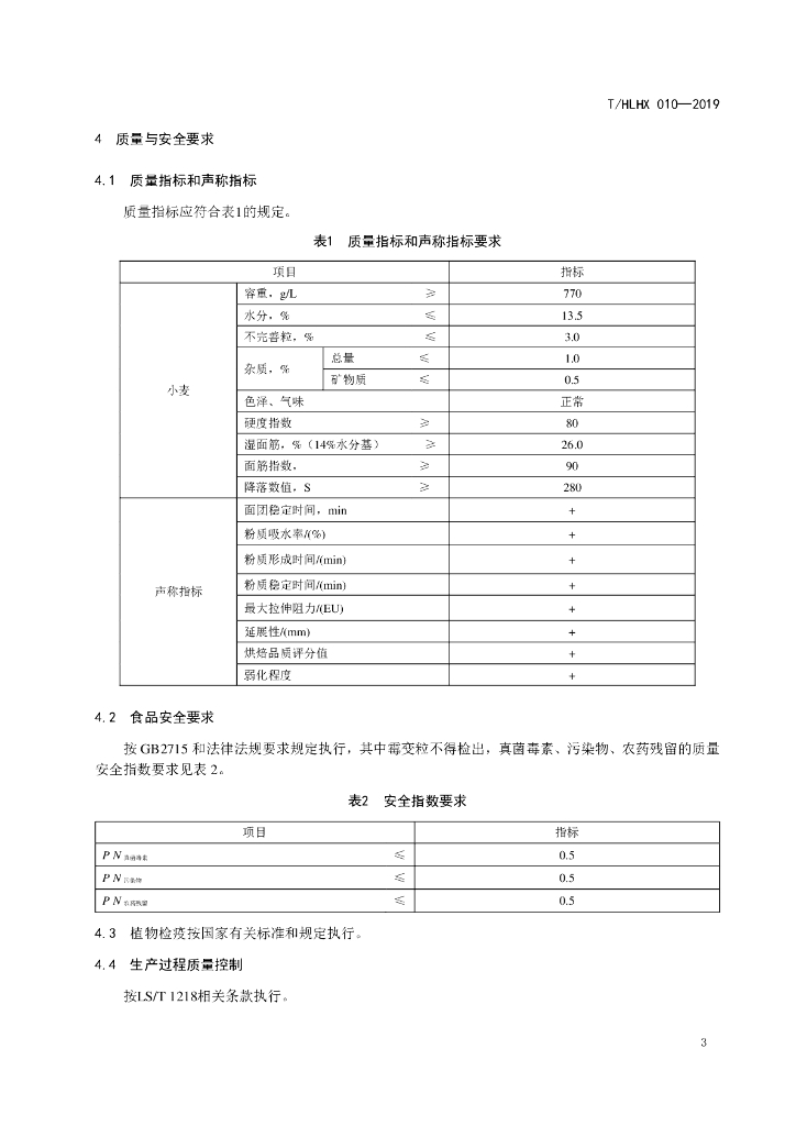
T/HLHX 010-2019 黑龙江好粮油 小麦

团体标准 强制性 现行

标准状态

  1. 发布于:
  2. 实施于:
  3. 废止

标准详情

  • 中国标准分类号:B22
    国际标准分类号:67.060
  • 团体名称:黑龙江省粮食行业协会

起草单位

黑龙江省粮油卫生检验监测中心、绥化市粮食质量检验监测中心、哈尔滨市粮食质量监测站、双鸭山市粮食质量检验监测站、密山市粮食质量安全监测站、大庆市粮食质量检验监测站、龙江县粮食质量监测站

起草人

宋秀娟、季澜洋、罗雁、徐春峰、杨一鸣、张金龙、佟春艳、邹文阁、陈丽萍、门柳、田野、张晓红、蒋不凡、郝景波、高玉杰、周勋、崔迪、王淑春、杨海燕、宋景兰、于洁

标准预览(共 8 页)

* 特别声明:资源收集自网络或用户上传,版权归原作者所有,如侵犯您的权益,请联系我们处理。

  • 标准质量:
  • 文档详情:253.82KB 共 8 页 PDF

标准搜索