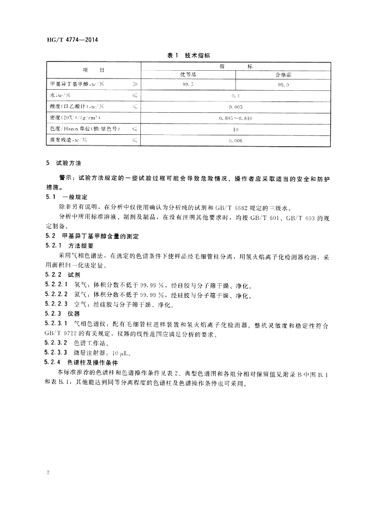
HG/T 4774-2014 工业用甲基异丁基甲醇

行业标准 推荐性 现行

标准状态

  1. 发布于:
  2. 实施于:
  3. 废止

标准详情

  • 中国标准分类号:G17
    国际标准分类号:71.080.60
  • 提出单位:
    主管部门:中国石油和化学工业联合会

起草单位

浙江新化化工股份有限公司、中国石油化工股份有限公司北京化工研究院等

起草人

应思斌、童卫芬 等

标准预览(共 11 页)

* 特别声明:资源收集自网络或用户上传,版权归原作者所有,如侵犯您的权益,请联系我们处理。

  • 标准质量:
  • 文档详情:2.42MB 共 11 页 PDF

标准搜索