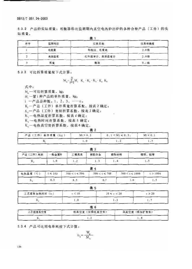
DB12/T 051.24-2003 真空电热炉节能监测方法

地方标准 天津市 推荐性 已废止

标准状态

  1. 发布于:
  2. 实施于:
  3. 废止于:

标准详情

  • 中国标准分类号:F01
    国际标准分类号:27.010
  • 代替标准:DB12/T 051.39-1995
  • 提出单位:
    主管部门:天津市质量技术监督局

起草单位

天津市节能监测七站、天津市计量技术研究所、天津市能源技术研究所、天津市节能技术服务中心

起草人

隰建成、张春龙、姚家英、宋丽敏、王福存、朱天利

标准预览(共 5 页)

* 特别声明:资源收集自网络或用户上传,版权归原作者所有,如侵犯您的权益,请联系我们处理。

  • 标准质量:
  • 文档详情:90.53KB 共 5 页 PDF

标准搜索