YS/T 3005-2011 浮选金精矿取样、制样方法

行业标准 推荐性 现行

标准状态

  1. 发布于:
  2. 实施于:
  3. 废止

标准详情

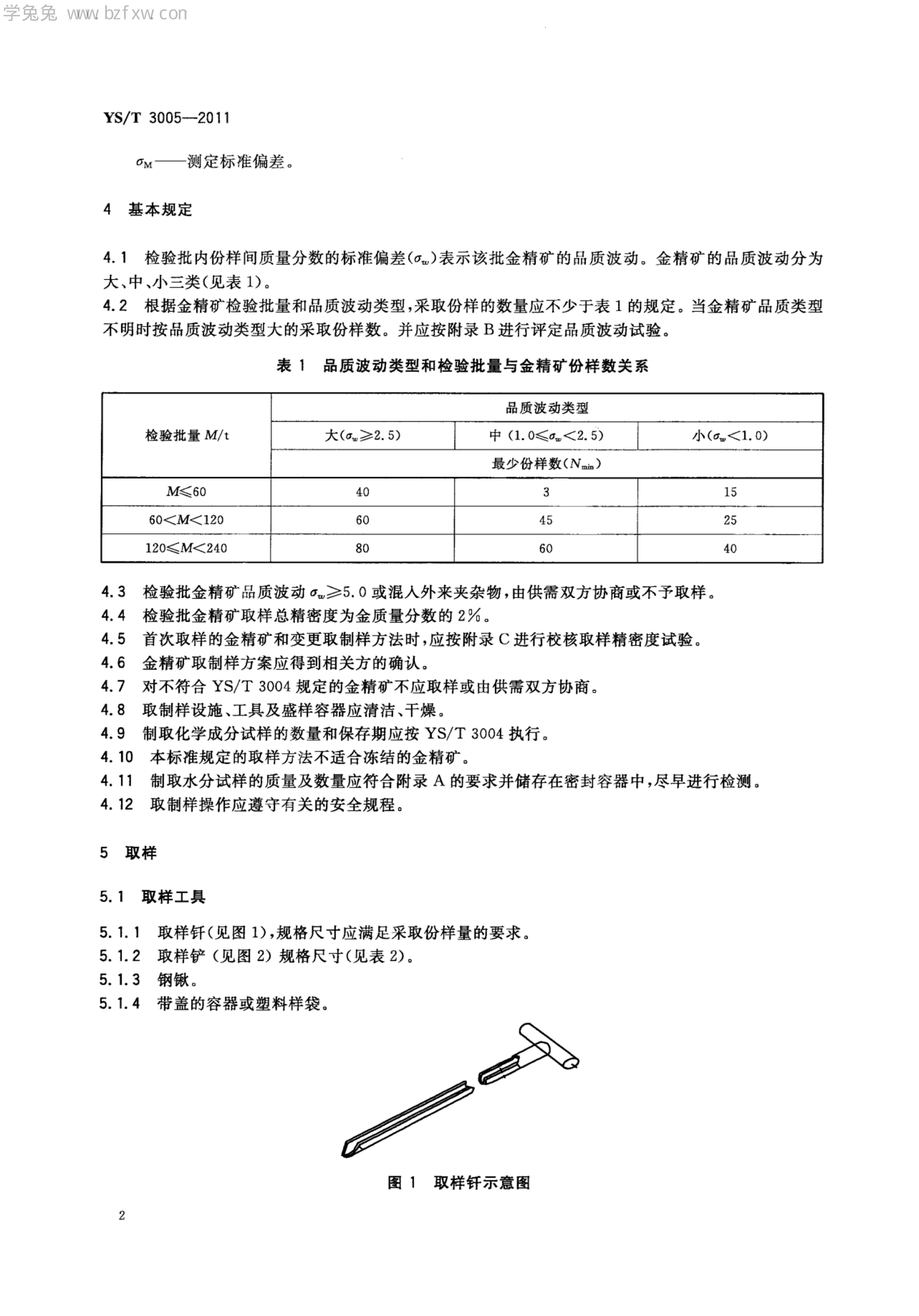
  • 中国标准分类号:H60
    国际标准分类号:73.060.99
  • 提出单位:
    主管部门:全国黄金标准化技术委员会

起草单位

长春黄金研究院、河南中原黄金冶炼厂有限公司、紫金矿业集团股份有限公司、灵宝黄金股份有限责任公司、辽宁天利金业有限责任公司、招金矿业股份有限公司金翅岭金矿、山东恒邦冶炼股份有限公司、山东黄金集团有限公司。

起草人

黄蕊、薛丽贤 、任文生、邹来昌、具滋范、廖占丕、刘鹏飞、彭国敏、李学强、韩晓光、朱延胜、潘玉喜、蓝美秀、董尔贤、刘文波、廖忠义、徐忠敏、毕洪涛。

标准预览(共 18 页)

* 特别声明:资源收集自网络或用户上传,版权归原作者所有,如侵犯您的权益,请联系我们处理。

  • 标准质量:
  • 文档详情:12.8MB 共 18 页 PDF

标准搜索