HG/T 6012-2022 胶鞋帮面化纤材料强度试验方法

行业标准 推荐性 现行

标准状态

  1. 发布于:
  2. 实施于:
  3. 废止

标准详情

  • 中国标准分类号:Y78
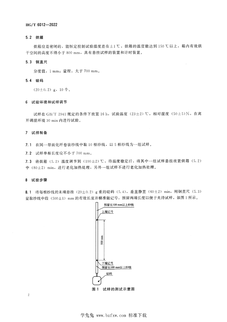
    国际标准分类号:61.06
  • 提出单位:中国石油和化学工业联合会
    主管部门:工业和信息化部

起草单位

福建华峰新材料有限公司、莆田市标龙设备设计中心、信泰(福建)科技有限公司、倍科质量技术服务(福建)有限公司、东莞市恒宇仪器有限公司、泉州市晋科技术检测有限公司、晋江市质量计量检测所、福建华峰实业有限公司

起草人

许金泰、林佳薇、张北战、陈元水、岳金刚、刘龙、王育玲、许春树、马燕红

标准预览(共 6 页)

* 特别声明:资源收集自网络或用户上传,版权归原作者所有,如侵犯您的权益,请联系我们处理。

  • 标准质量:
  • 文档详情:1.27MB 共 6 页 PDF

标准搜索