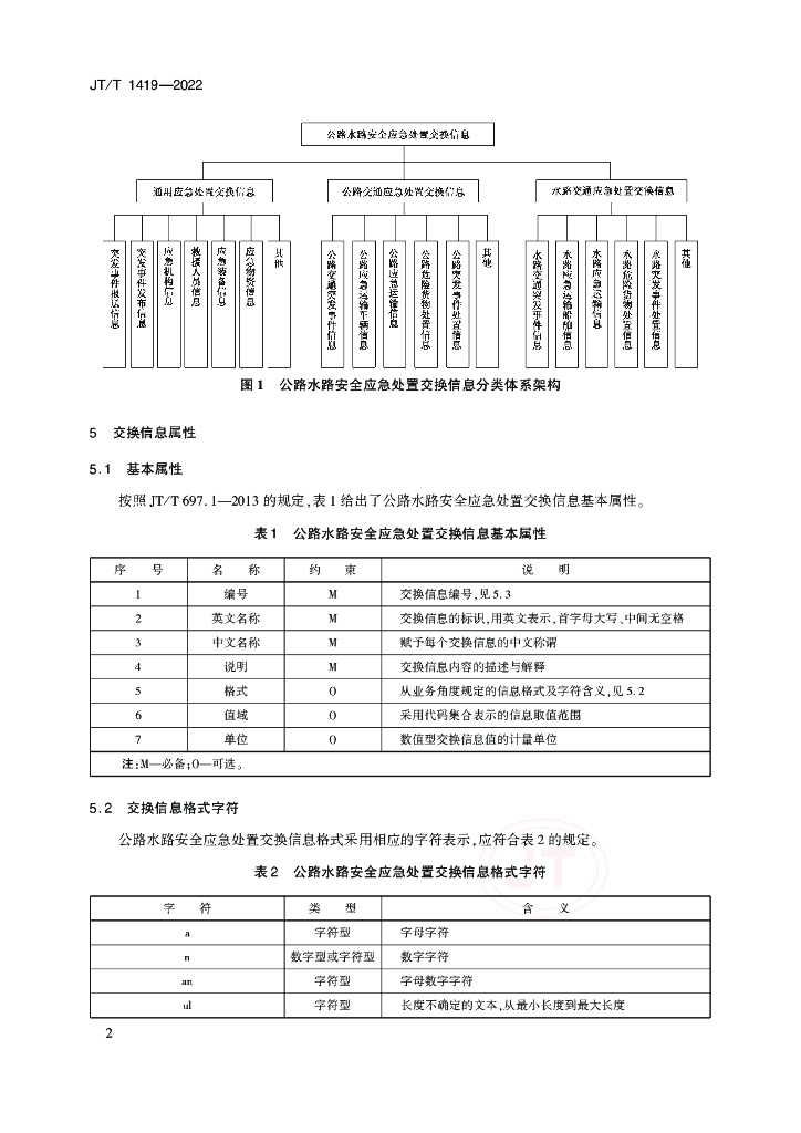
JT/T 1419-2022 公路水路安全应急处置交换信息

行业标准 推荐性 现行

标准状态

  1. 发布于:
  2. 实施于:
  3. 废止

标准详情

  • 中国标准分类号:R85
    国际标准分类号:03.220.01
  • 提出单位:全国智能运输系统标准化技术委员会
    主管部门:交通运输部

起草单位

交通运输部公路科学研究院、北京市交通信息中心、交通运输部路网监测与应急处置中心、中交水运规划设计院有限公司、交通运输部规划研究院、北京中交国通智能交通系统技术有限公司

起草人

杨琪、张建苍、刘建峰、唐菁、董雷宏、张云、梁粤、牛树云、李佑钢、熊婷、周可夫、李琳琳、王琪琳、刘浩、周敬祥、高国庆、李柏丹、钱越、王超亮、邢宇鹏、陈智、敖腾、周国强、李翠翠

标准预览(共 49 页)

* 特别声明:资源收集自网络或用户上传,版权归原作者所有,如侵犯您的权益,请联系我们处理。

  • 标准质量:
  • 文档详情:6.25MB 共 49 页 PDF

标准搜索