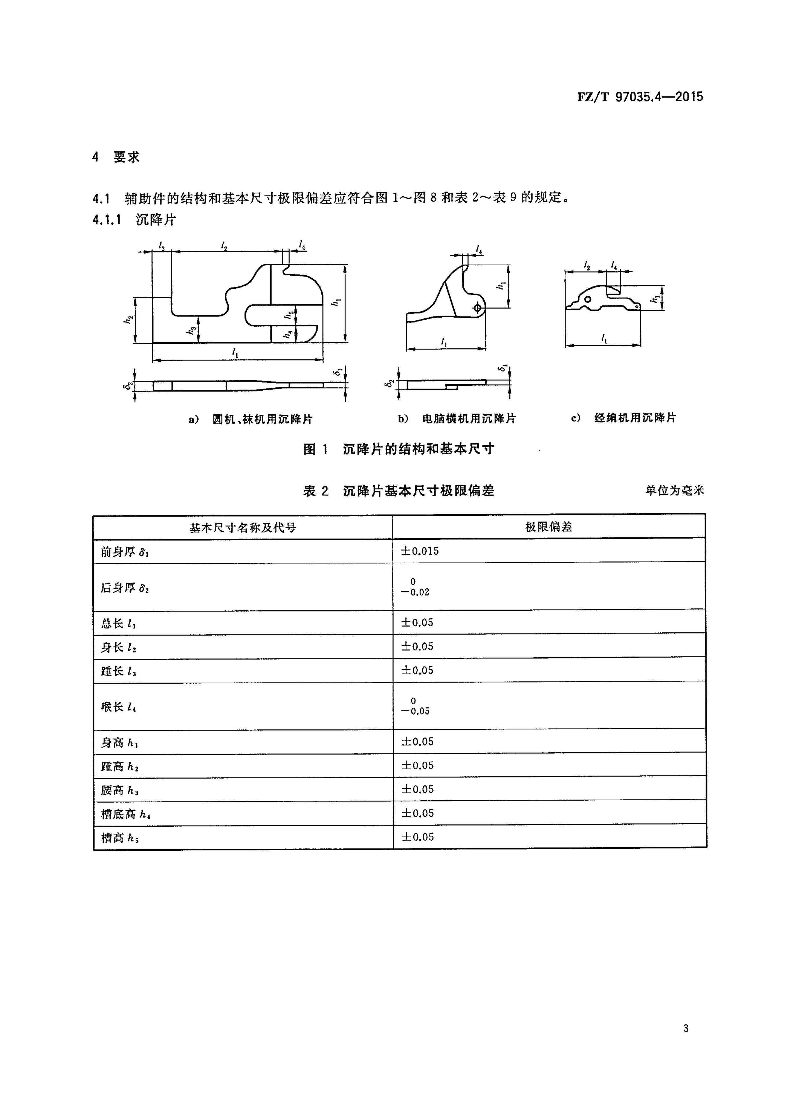
FZ/T 97035.4-2015 针织机用针 第4部分:辅助件

行业标准 推荐性 现行

标准状态

  1. 发布于:
  2. 实施于:
  3. 废止

标准详情

  • 中国标准分类号:W96
    国际标准分类号:59.120.40
  • 代替标准:FZ/T 90029.5-1991、FZ/T 97007-1991
  • 提出单位:
    主管部门:工业和信息化部

起草单位

陕西纺织器材研究所、苏州神马织针器材有限公司、昆山凯意织针有限公司等

起草人

侯水利、赵玉生、陆永海 等

标准预览(共 13 页)

* 特别声明:资源收集自网络或用户上传,版权归原作者所有,如侵犯您的权益,请联系我们处理。

  • 标准质量:
  • 文档详情:443.03KB 共 13 页 PDF

标准搜索