电子标准网
首页
国家标准
行业标准
地方标准
团体标准
设计图集
协会标准
企业标准
国际标准
联盟标准
其他标准
登录 / 注册
昵称:
(ID:)
充值金币
我的收藏
浏览历史
[ 退出登录 ]
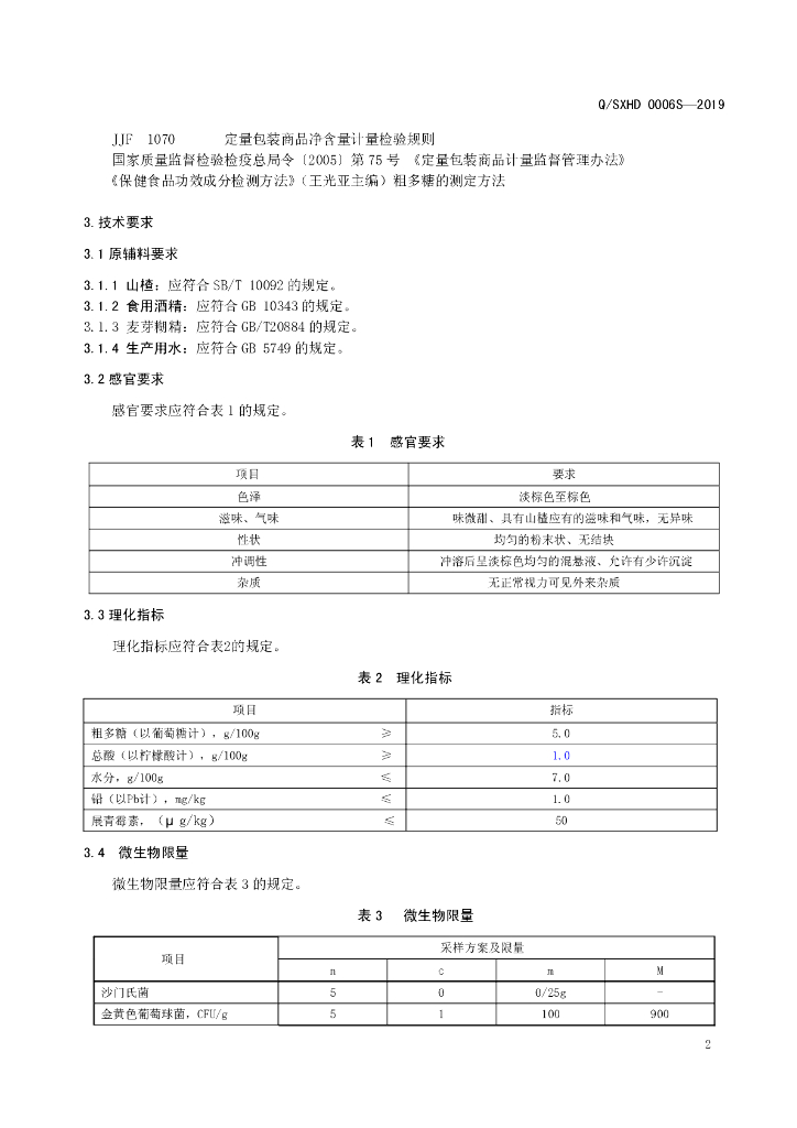
Q/SXHD 0006S-2019 山楂粉(固体饮料)
企业标准
强制性
废止
收藏
报错
标准状态
发布于:
2018-12-25
实施于:
2019-01-25
废止于:
2022-01-14
标准详情
中国标准分类号:
国际标准分类号:
提出单位:
主管部门:
起草单位
起草人
标准预览(共 7 页)
5页 预览结束,下载 7页 完整版
* 特别声明:资源收集自网络或用户上传,版权归原作者所有,如侵犯您的权益,请联系我们处理。
标准网本地下载
标准质量:
文档详情:
269.5KB 共 7 页 PDF
分享到
标准搜索
搜索帮助
搜索
相关推荐
1
Q/BQSY 0021S-2024 凉粉类冲调方便食品
2
Q/ZSS 01-2025 速溶抗盐共聚物 生物胶 SSFC-1
3
Q/MRJY 0001S-2023 重阳酒 广西融水元宝山苗润特色酒业有限公
4
Q/CR 582.3-2017 机车、动车用柴油机零部件 第3部分:进排气波纹管组件
5
Q/SY 08126.3-2022 油气田现场安全检查规范 第3部分:油气集输作业
6
Q/CR 9249-2020 铁路隧道湿喷混凝土施工技术规程
7
Q/CR 851-2021 铁路通信铁塔监测系统
8
Q/LLX 0003S-2023 红油 广西柳螺鲜食品有限公司 (企业申请废止)
9
Q/SY 1202-2009 油气管道工业电视监控系统技术规范
10
Q/CR 864.4-2021 列控中心接口规范 第4部分:列控中心与地面电子单元接口(串行通信)
11
Q/SY 08006-2017 转盘/转筒/转刷式收油机回收速率和回收效率试验方法
12
Q/GDW 13266.2-2018 750kV交流输电线路用带外串联间隙金属氧化物避雷器采购标准 第2部分:YH20CX-588/1608线路用带外串联空气间隙金属氧化物
13
Q/CR 9207-2017 铁路混凝土工程施工技术规程
14
Q/CR 849-2021 铁路光缆监测系统技术条件
15
QB-xxx SPN及PTN OMC北向接口业务配置技术规范(中国移动通信企业标准)
电子标准网提示:
你剩余金币:
0
, 下载文档需要支付金币:
0
请通过以下途径获取金币,完成下载:
更多充值
金币充值下载
VIP免费下载
正在加载二维码...
微信扫码支付
50元, 50金币,
100元,150金币,赠送 50个金币
300元,600金币,赠送300个金币
500元,1200金币,赠送700个金币
800元,2000金币,赠送1200个金币
正在加载二维码...
微信扫码支付
50元,高级月度VIP,免金币下载10篇/天
118元,高级季度VIP,免金币下载10篇/天
168元,高级半年VIP,免金币下载10篇/天
98元,钻石月度VIP,免金币下载30篇/天
238元,钻石季度VIP,免金币下载30篇/天