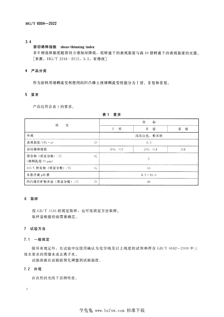
HG/T 6004-2022 涂料用增稠流变剂 凹凸棒土

行业标准 推荐性 现行

标准状态

  1. 发布于:
  2. 实施于:
  3. 废止

标准详情

  • 中国标准分类号:G54
    国际标准分类号:87.060.10
  • 提出单位:中国石油和化学工业联合会
    主管部门:工业和信息化部

起草单位

明光市飞洲新材料有限公司、河南省中智科标准化研究院有限公司、界首市双特新材料科技有限公司、复旦大学、三棵树涂料股份有限公司、浙江志强涂料有限公司、徐州大光涂料厂、常州大学、江苏纳欧新材料有限公司、清远市美佳乐环保新材股份有限公司、江苏点金石凹土矿业有限公司、安徽省中智科标准化研究院有限公司、中海油常州涂料化工研究院有限公司、国恒信(常州)检测认证技术有限公司、常州光辉化工有限公司、东莞市恩峰建材科技有限公司、佛山市漆之彩化工有限公司、广东省中绍宣标准化技术研究院有限公司

起草人

胡西、刘影影、唐佳瑜、沈恒强、姚超、华艳、沈苏江、顾广新、孔志元、狄志刚、吴志平、左士祥、邓瑞、杨祚兴、陈亮、邱岩岩、赵仪、顾文宇、胡睿、关仲翔、刘丹丹、赵绍洪、蔡剑波、蔡亮、蓝东兰、尹丽仪

标准预览(共 8 页)

* 特别声明:资源收集自网络或用户上传,版权归原作者所有,如侵犯您的权益,请联系我们处理。

  • 标准质量:
  • 文档详情:1.57MB 共 8 页 PDF

标准搜索