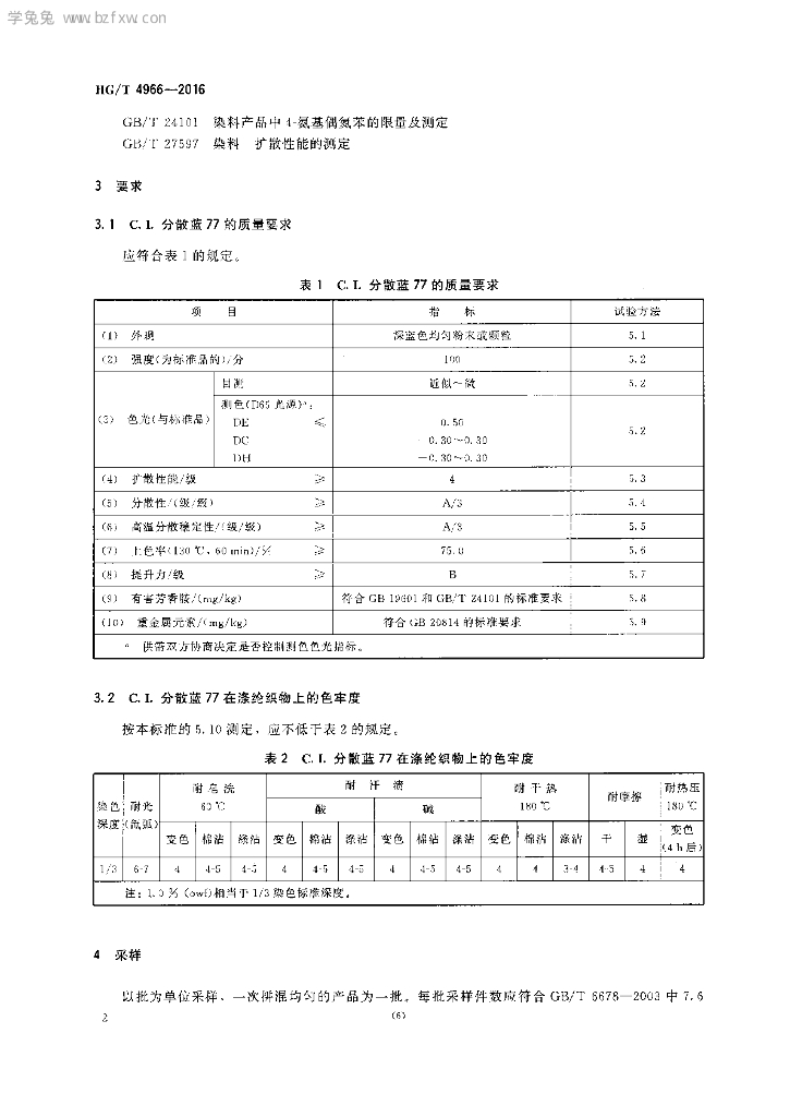
HG/T 4966-2016 C.I. 分散蓝 77

行业标准 推荐性 现行

标准状态

  1. 发布于:
  2. 实施于:
  3. 废止

标准详情

  • 中国标准分类号:G57
    国际标准分类号:71.100.01;87.060.10
  • 提出单位:
    主管部门:工业和信息化部

起草单位

九江富达实业有限公司、沈阳化工研究院有限公司、国家染料质量监督检验中心

起草人

姬兰琴、彭德新、马君庆 等

标准预览(共 7 页)

* 特别声明:资源收集自网络或用户上传,版权归原作者所有,如侵犯您的权益,请联系我们处理。

  • 标准质量:
  • 文档详情:327.73KB 共 7 页 PDF

标准搜索