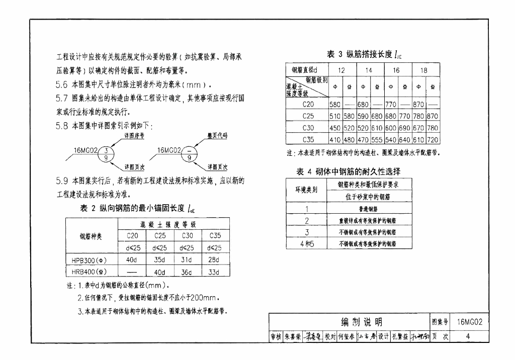
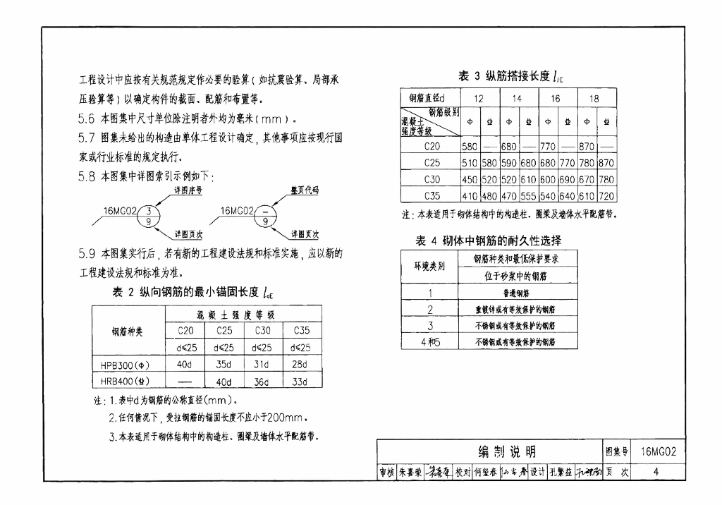
16MG02 砌体结构构造图集
* 特别声明:资源收集自网络或用户上传,版权归原作者所有,如侵犯您的权益,请联系我们处理。
- 标准质量:
- 文档详情:12.55MB 共 27 页 PDF
标准搜索
搜索帮助相关推荐
- 101S122-8 TGT系列浮动盘管型半即热式水加热器选用及安装图集
- 2L19ZJ108 CL建筑体系建筑构造 (山东省建筑标准设计图集)
- 3昆明市现代宜居农房设计通用图集 施工图图册(一)“凹字形”三合院布局/三开间
- 4PT-881 《建筑太阳能光伏系统设计规范》配套图集
- 5新22S3 室外排水工程图集
- 6新06G306 管沟及盖板图集
- 7贵州省农村村民住宅建设通用图集-遵义篇
- 812ZG501 门式刚架轻型房屋钢结构图集
- 92017甬DT-01 屋面太阳能光伏发电系统设计与安装图集
- 10渝22TS02 市政排水管道附属设施标准图集(DJBT50-159)
- 1118YSZ102-1 城市综合管廊工程(一)总体设计及附属设施图示图集
- 1224CG53-1 混凝土预制桩锥合式机械接头图集
- 13新22J03 外装修图集
- 1409BN-4 北京市新农村住宅设计图集D户型
- 15渝20J04-1~5 建筑防火、排烟构造设计图示(一~五)合集图集(DJBT50-136)




