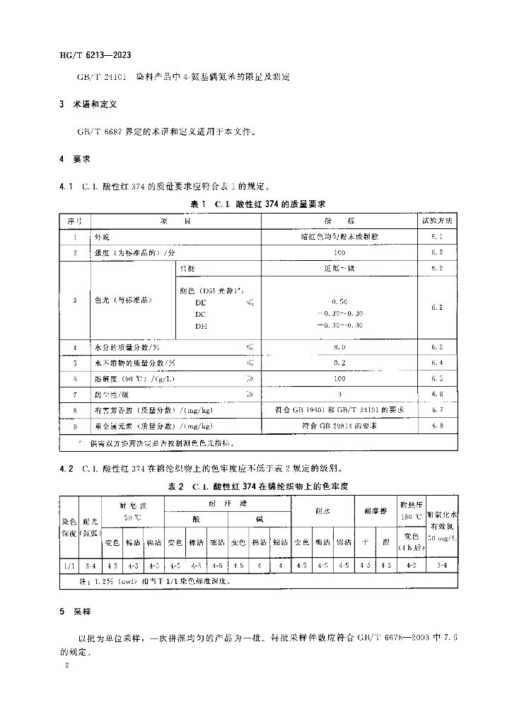
HG/T 6213-2023 C.I. 酸性红 374

行业标准 推荐性 现行

标准状态

  1. 发布于:
  2. 实施于:
  3. 废止

标准详情

  • 中国标准分类号:G57
    国际标准分类号:71.100.01、87.060.10
  • 提出单位:化学工业出版社
    主管部门:全国染料标准化技术委员会

起草单位

金华恒利康化工有限公司、深圳市标色染料科技有限公司、沈阳沈化院测试技术有限公司、沈阳化工研究院有限公司、厦门市爱亚轩科技有限公司、国家染料质量检验检测中心

起草人

吴平、董仲生、梁沛基、马君庆、吕健、楼益义、杨兰、刘春生、李婧伊

标准预览(共 8 页)

* 特别声明:资源收集自网络或用户上传,版权归原作者所有,如侵犯您的权益,请联系我们处理。

  • 标准质量:
  • 文档详情:441KB 共 8 页 PDF

标准搜索