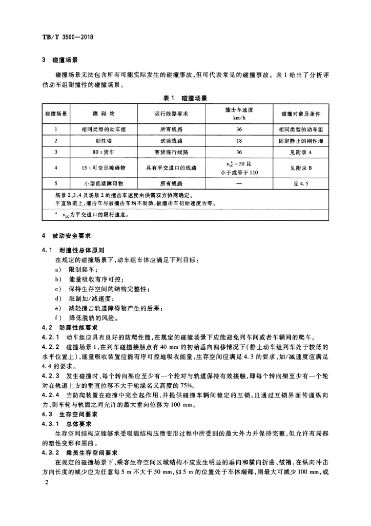
TB/T 3500-2018 动车组车体耐撞性要求与验证规范

行业标准 推荐性 现行

标准状态

  1. 发布于:
  2. 实施于:
  3. 废止

标准详情

  • 中国标准分类号:S51
    国际标准分类号:45.060.20
  • 提出单位:
    主管部门:国家铁路局

起草单位

四方股份、长客股份、中车唐山公司、中南大学、西南交大、大连交大、四方所

起草人

赵世忠、丁参参马云双、田爱琴、余永革、王卉子、田红旗、肖守讷、孙彦彬、刘辉、阎锋

标准预览(共 14 页)

* 特别声明:资源收集自网络或用户上传,版权归原作者所有,如侵犯您的权益,请联系我们处理。

  • 标准质量:
  • 文档详情:3.48MB 共 14 页 PDF

标准搜索