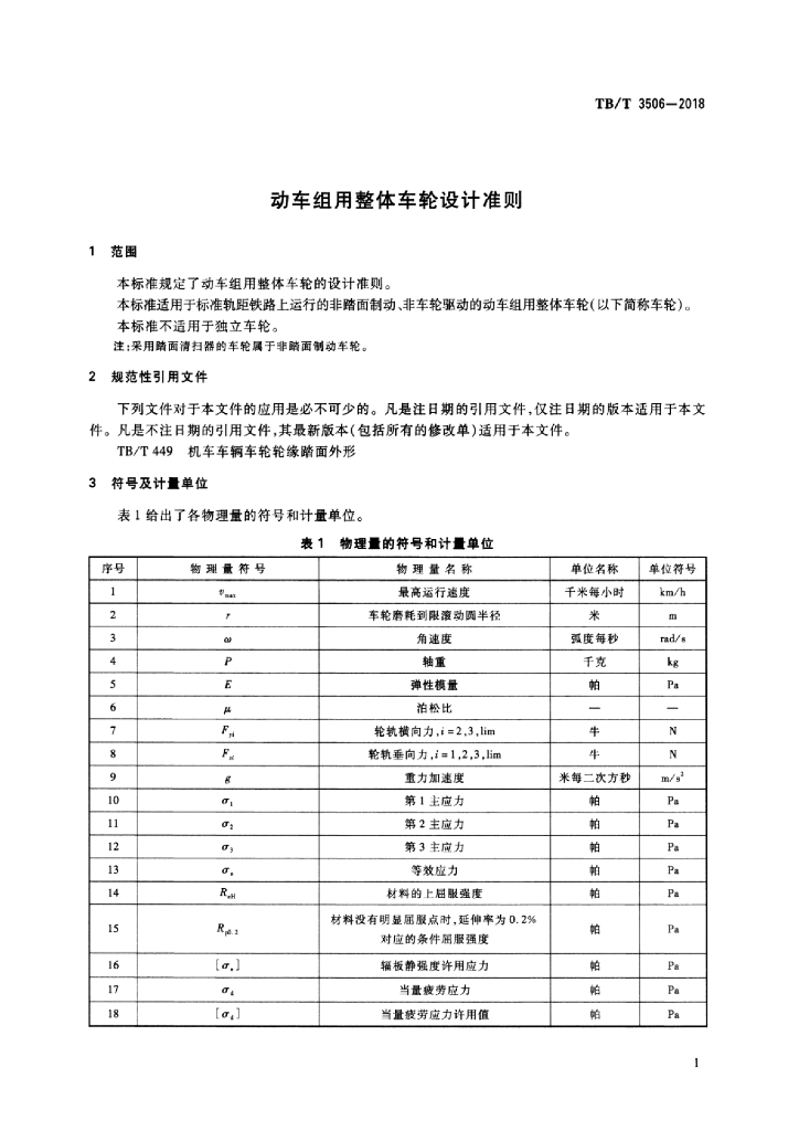
TB/T 3506-2018 动车组用整体车轮设计准则

行业标准 推荐性 现行

标准状态

  1. 发布于:
  2. 实施于:
  3. 废止

标准详情

  • 中国标准分类号:S50
    国际标准分类号:45.060.20
  • 提出单位:
    主管部门:国家铁路局

起草单位

铁科院金化所、四方所、铁科院标准所、马鞍山钢铁股份、太原重工、长客股份

起草人

张澎湃、张斌、刘会英、赵雷、付秀琴、张弘、高俊莉、江波、王群娣、李秋泽

标准预览(共 11 页)

* 特别声明:资源收集自网络或用户上传,版权归原作者所有,如侵犯您的权益,请联系我们处理。

  • 标准质量:
  • 文档详情:2.21MB 共 11 页 PDF

标准搜索