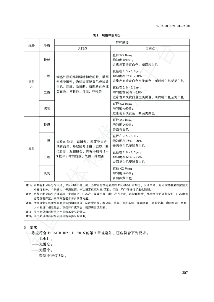
T/CACM 1021.24-2018 中药材商品规格等级 浙贝母

团体标准 强制性 现行

标准状态

  1. 发布于:
  2. 实施于:
  3. 废止

标准详情

  • 中国标准分类号:
    国际标准分类号:11.120.10
  • 团体名称:中华中医药学会

起草单位

浙江中医药大学、中国中医科学院中药资源中心、中药材商品规格等级标准研究 技术中心、北京中研百草检测认证有限公司

起草人

张春椿、李石清、沈晨薇、黄璐琦、郭兰萍、詹志来、张水利、俞冰、张婷、 袁强、范慧艳

标准预览(共 8 页)

* 特别声明:资源收集自网络或用户上传,版权归原作者所有,如侵犯您的权益,请联系我们处理。

  • 标准质量:
  • 文档详情:383.33KB 共 8 页 PDF

标准搜索