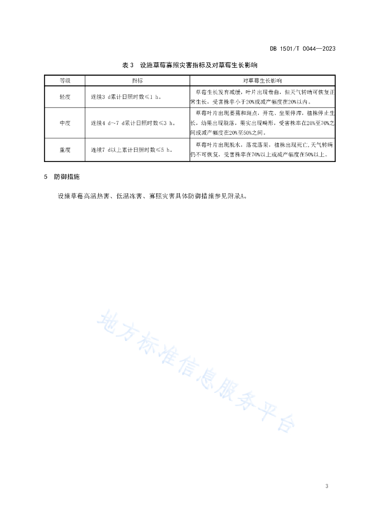
DB1501/T 0044-2023 设施草莓高温热害、低温冻害、寡照灾害等级

地方标准 呼和浩特市 推荐性 现行

标准状态

  1. 发布于:
  2. 实施于:
  3. 废止

标准详情

  • 中国标准分类号:B18
    国际标准分类号:65.020.01
  • 提出单位:呼和浩特市气象局
    主管部门:呼和浩特市市场监督管理局

起草单位

呼和浩特市气象局、呼和浩特市农牧局

起草人

孙尚瑜、苏利军、刘星岑、董静、戴玉芝、刘先芬、金师、王志楠、敖立琴、苏利民、蔡继静、胡云鹏、王智宇

标准预览(共 7 页)

* 特别声明:资源收集自网络或用户上传,版权归原作者所有,如侵犯您的权益,请联系我们处理。

  • 标准质量:
  • 文档详情:356.17KB 共 7 页 PDF

标准搜索