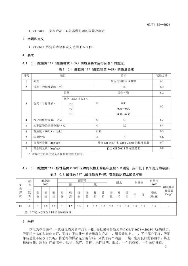
HG/T 4157-2023 C.I.酸性黄117(酸性艳黄P-3R)

行业标准 推荐性 现行

标准状态

  1. 发布于:
  2. 实施于:
  3. 废止

标准详情

  • 中国标准分类号:G57
    国际标准分类号:71.100.01;87.060.10
  • 代替标准:HG/T 4157-2010
  • 提出单位:中国石油和化学工业联合会
    主管部门:工业和信息化部

起草单位

金华双宏化工有限公司、沈阳沈化院测试技术有限公司、沈阳化工研究院有限公司、金华恒利康化工有限公司、厦门尹巢科技有限公司、国家染料质量检验检测中心

起草人

许靓、董仲生、杨振梅、楼益义、林鹏翔、陈彤、吴平、王勇

标准预览(共 8 页)

* 特别声明:资源收集自网络或用户上传,版权归原作者所有,如侵犯您的权益,请联系我们处理。

  • 标准质量:
  • 文档详情:926.66KB 共 8 页 PDF

标准搜索