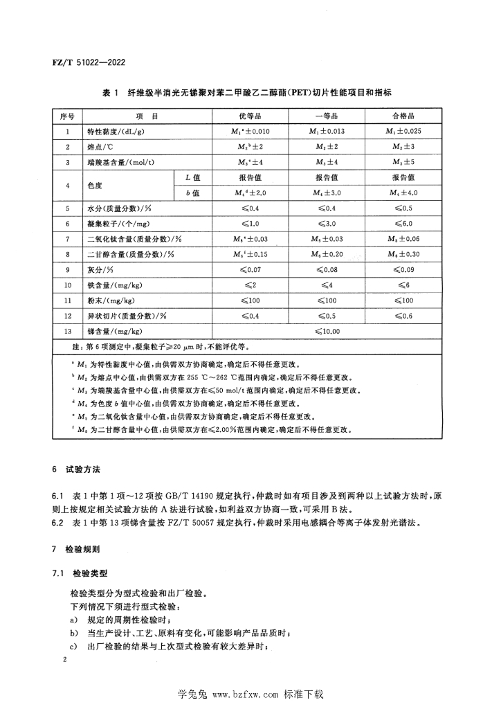
FZ/T 51022-2022 纤维级无锑聚对苯二甲酸乙二醇酯(PET)切片

行业标准 推荐性 现行

标准状态

  1. 发布于:
  2. 实施于:
  3. 废止

标准详情

  • 中国标准分类号:W51
    国际标准分类号:59.060.20
  • 提出单位:中国纺织工业联合会
    主管部门:工业和信息化部

起草单位

浙江恒逸石化有限公司、江苏新视界先进功能纤维创新中心有限公司、上海慧翌新材料科技有限公司、中国石化仪征化纤有限责任公司、厦门翔鹭化纤股份有限公司、新凤鸣集团股份有限公司、江苏华西村股份有限公司特种化纤厂、绍兴惠群新材料科技有限公司、桐昆集团浙江恒通化纤有限公司、安徽皖维高新材料股份有限公司、江苏国望高科纤维有限公司、荣盛石化股份有限公司、中国化学纤维工业协会、滁州兴邦聚合彩纤有限公司、浙江佳人新材料有限公司、上海市纺织工业技术监督所

起草人

王松林、胥荣威、徐锦龙、孙宾、龚柳柳、张冬贵、庄耀中、邓松涛、王建娥、钱曦明、许宏平、金杰、付子波、王永生、张文强、官军、李红杰

标准预览(共 6 页)

* 特别声明:资源收集自网络或用户上传,版权归原作者所有,如侵犯您的权益,请联系我们处理。

  • 标准质量:
  • 文档详情:1.5MB 共 6 页 PDF

标准搜索