T/CIATCM 030.8-2019 中医临床护理信息基本数据集 第8部分:手术室护理记录

团体标准 强制性 现行

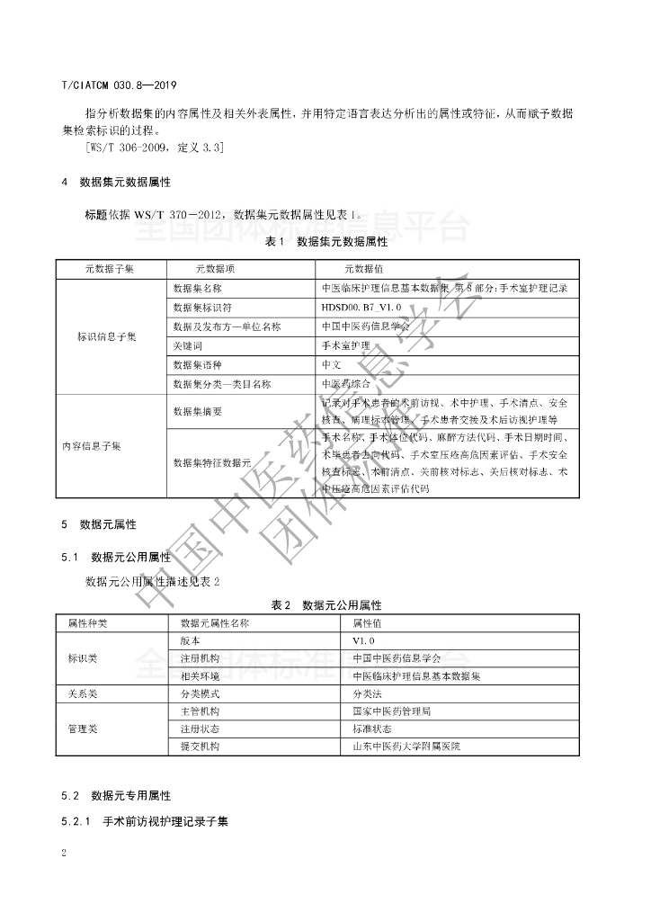
标准状态

  1. 发布于:
  2. 实施于:
  3. 废止

标准详情

  • 中国标准分类号:
    国际标准分类号:35.240.80
  • 团体名称:中国中医药信息学会

起草单位

山东中医药大学附属医院、湖北省中医院、广东省中西医结合医院、广东省中医院、青岛市中医院、烟台市中医院、北京智护健康科技有限公司、江苏省中医院

起草人

李平、牟善芳、包月、刘淑娟、翟燕、冯凤、许凤秀、王庭敏、赵蒙、刘继芬、万长秀、周琼、谢小兰

标准预览(共 54 页)

* 特别声明:资源收集自网络或用户上传,版权归原作者所有,如侵犯您的权益,请联系我们处理。

  • 标准质量:
  • 文档详情:2.66MB 共 54 页 PDF

标准搜索