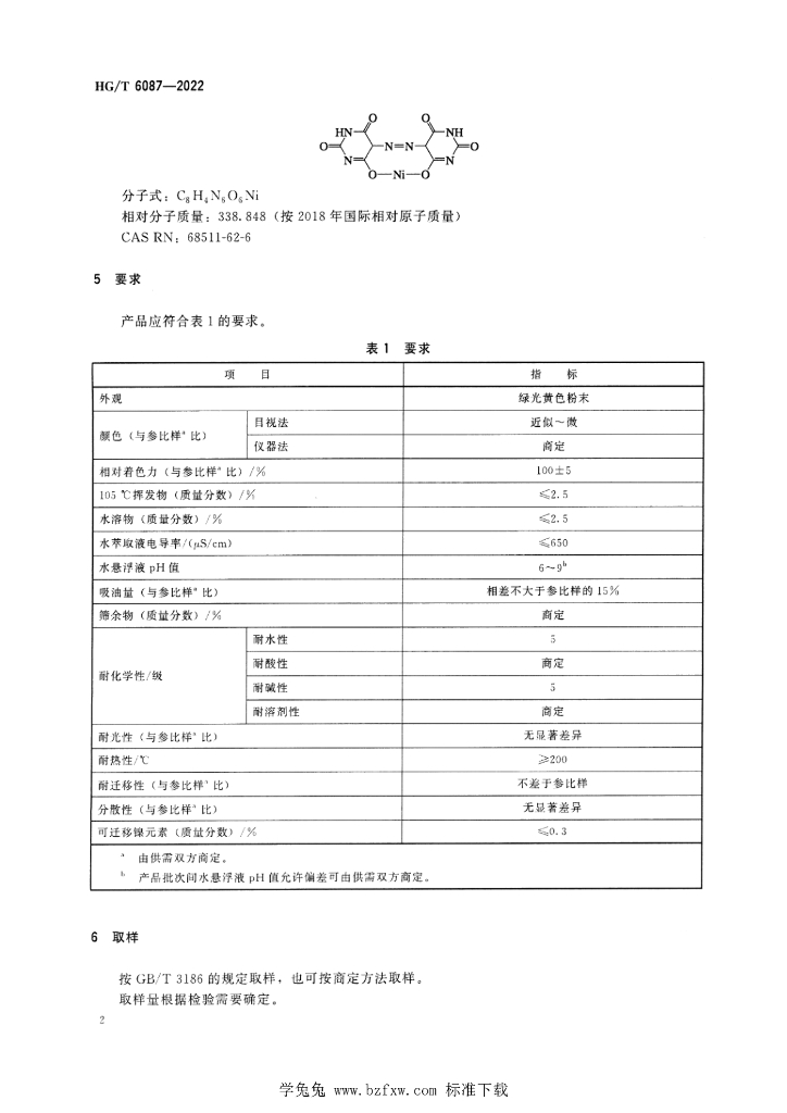
HG/T 6087-2022 C.I.颜料黄 150

行业标准 推荐性 现行

标准状态

  1. 发布于:
  2. 实施于:
  3. 废止

标准详情

  • 中国标准分类号:G54
    国际标准分类号:87.060.10
  • 提出单位:中国石油和化学工业联合会
    主管部门:工业和信息化部

起草单位

百合花集团股份有限公司、鞍山七彩化学股份有限公司、安徽申兰华色材有限公司、龙口联合化学股份有限公司、双乐颜料泰兴市有限公司、山东世纪阳光科技有限公司、浙江信凯科技集团股份有限公司、宇虹颜料股份有限公司、江苏丽王科技股份有限公司、河北捷虹颜料化工有限公司、立邦涂料(河南)有限公司、苏州世名科技股份有限公司、株洲市九华新材料涂装实业有限公司、中海油常州涂料化工研究院有限公司、中国染料工业协会

起草人

熊永科、李岩、徐再汉、季维、赵芹、高冬云、张燕、陈雪、郁金华、张荔、齐在天、杜长森、龚文晶、沈苏江、毛顺明、张燕深、唐佳瑜

标准预览(共 8 页)

* 特别声明:资源收集自网络或用户上传,版权归原作者所有,如侵犯您的权益,请联系我们处理。

  • 标准质量:
  • 文档详情:1.91MB 共 8 页 PDF

标准搜索