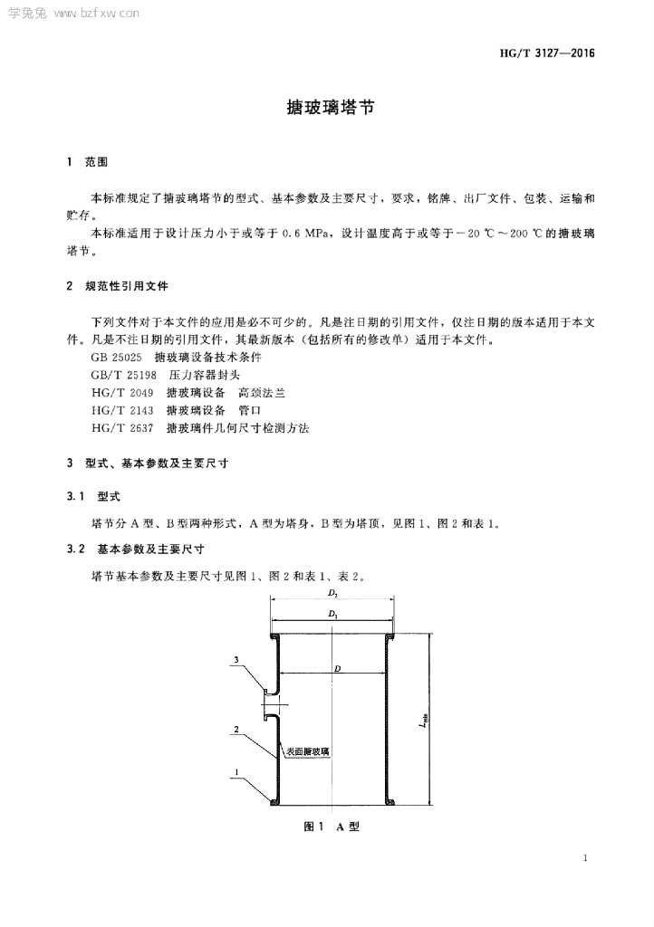
HG/T 3127-2016 代替 HG/T 3127-2009 搪玻璃塔节

行业标准 推荐性 已废止

标准状态

  1. 发布于:
  2. 实施于:
  3. 废止于:

标准详情

  • 中国标准分类号:G94
    国际标准分类号:71.120;25.220.50
  • 代替标准:HG/T 3127-2009
  • 提出单位:
    主管部门:工业和信息化部

起草单位

江苏隆达机械设备有限公司、淄博乾宝化工设备有限公司、广州特种承压设备检测研究院等

起草人

吴忠翔、郑贵东、李茂东 等

标准预览(共 12 页)

* 特别声明:资源收集自网络或用户上传,版权归原作者所有,如侵犯您的权益,请联系我们处理。

  • 标准质量:
  • 文档详情:1.19MB 共 12 页 PDF

标准搜索