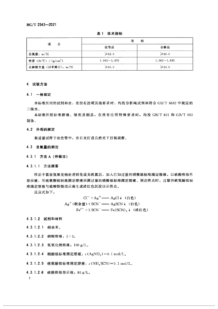
HG/T 2543-2021 工业用氯甲基甲醚

行业标准 推荐性 现行

标准状态

  1. 发布于:
  2. 实施于:
  3. 废止

标准详情

  • 中国标准分类号:G17
    国际标准分类号:71.080.60
  • 代替标准:HG/T 2543-1993
  • 提出单位:中国石油和化学工业联合会
    主管部门:工业和信息化部

起草单位

芜湖融汇化工有限公司、中国石油化工股份有限公司北京化工研究院、松滋市璐达科技有限公司

起草人

宋永海、钟海、张兵、范德钿、郭莹、刘涛、章斯琪、郑健、马瑾玮

标准预览(共 10 页)

* 特别声明:资源收集自网络或用户上传,版权归原作者所有,如侵犯您的权益,请联系我们处理。

  • 标准质量:
  • 文档详情:1.81MB 共 10 页 PDF

标准搜索