SN/T 4533.1-2016 商品化试剂盒检测方法 β-内酰胺酶 方法一

行业标准 推荐性 现行

标准状态

  1. 发布于:
  2. 实施于:
  3. 废止

标准详情

  • 中国标准分类号:C53
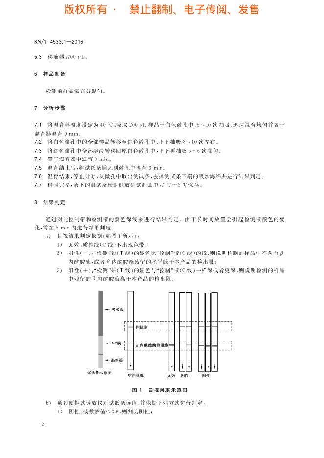
    国际标准分类号:67.050
  • 提出单位:
    主管部门:国家质量监督检验检疫总局

起草单位

江苏出入境检验检疫局、深圳易瑞生物技术公司、福建出入境检验检疫局、合肥工业大学、深圳市检验检疫科学研究院、上海出入境检验检疫局、内蒙古蒙牛乳业集团等

起草人

薛峰 等

标准预览(共 6 页)

* 特别声明:资源收集自网络或用户上传,版权归原作者所有,如侵犯您的权益,请联系我们处理。

  • 标准质量:
  • 文档详情:373.77KB 共 6 页 PDF

标准搜索